MI AI API
REVISION HISTORY¶
| Revision No. | Description |
Date |
|---|---|---|
| 3.50 | 12/04/2020 | |
| 3.51 | 07/19/2021 | |
| 08/25/2021 | ||
| 3.52 | 09/08/2021 | |
| 12/29/2021 | ||
| 3.53 | 02/17/2022 | |
| 3.54 | 03/29/2022 | |
| 05/19/2022 | ||
| 3.55 | 02/28/2023 | |
| 06/10/2023 | ||
| 11/21/2023 | ||
| 07/03/2023 | ||
| 12/06/2023 | ||
| 04/22/2025 |
1. Overview¶
1.1. Module Description¶
Audio Input (AI) is mainly used to configure and enable audio input devices, read Audio data, and adjust volume/mute.
Keyword:
-
Device (Audio input device)
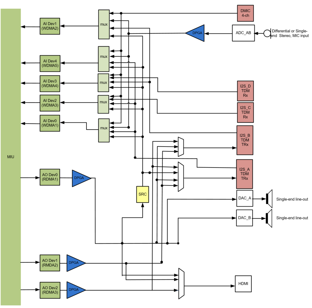
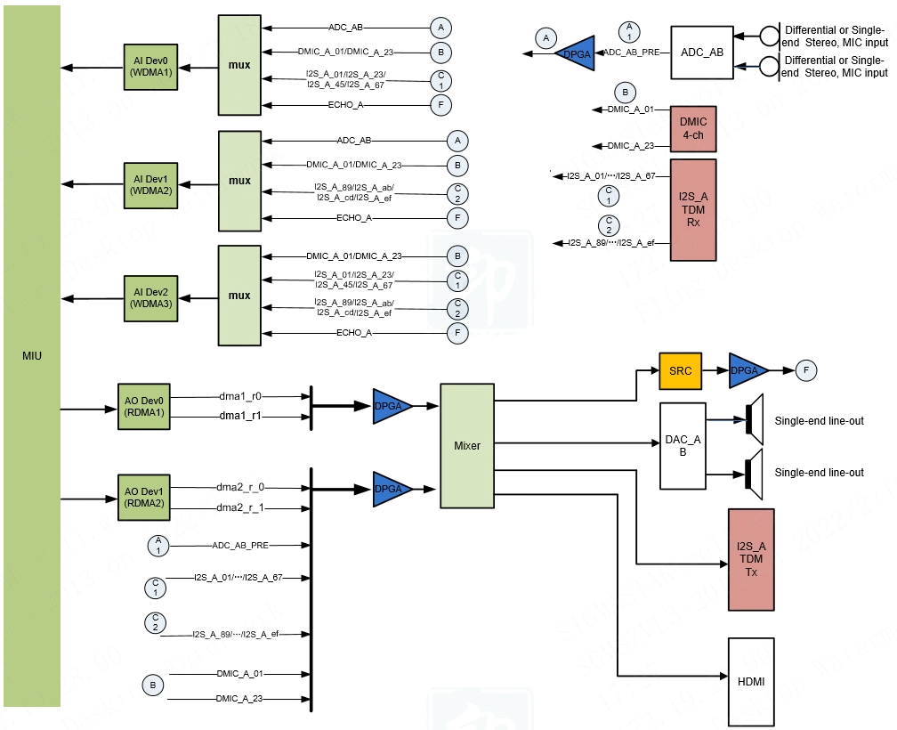
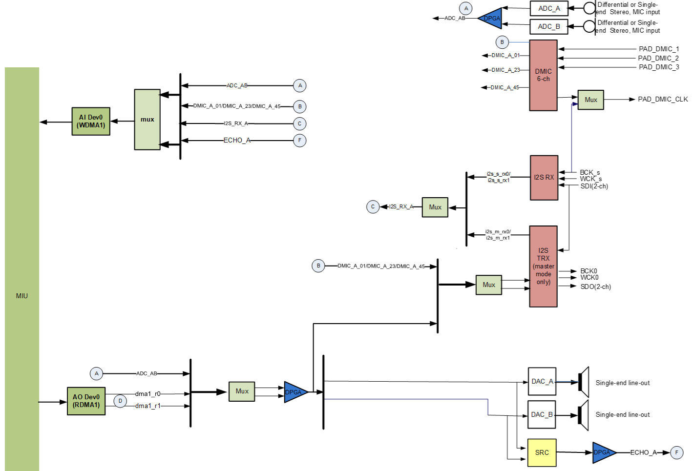
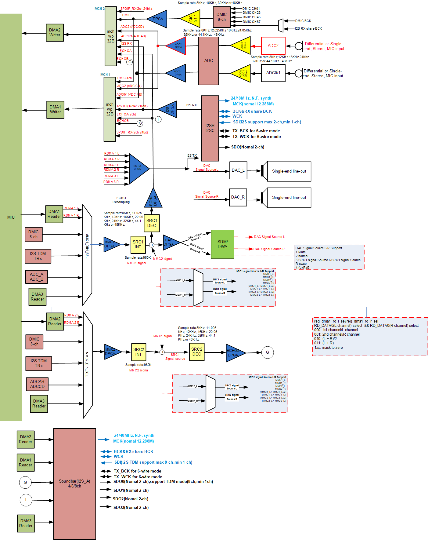
AI Device refers to WDMA of audio codec. Device is an abstraction of DMA in audio codec by audio3.0. WDMA in audio codec and AI Device have a one-to-one correspondence. For example, AI Device0 corresponds to WDMA1 in audio codec, AI Device1 corresponds to WDMA2 in audio codec, and so on. The data streams of audio3.0 are all connected in series with DMA as the center.
-
Channel Group (Audio input channel group)
AI Channel Group refers to a collection of multiple physical channels. The number of physical channels in the set is determined by the Sound Mode of the AI Device. The meaning of Channel Group is to ensure the synchronization of related multiple physical channel data. For example, to make a 4Mic beamforming algorithm, the 4 physical channels must ensure data synchronization. The solution is to operate the 4 physical channels as a whole. This is the meaning of Channel Group. How many Channel Groups the AI Device shares is determined by the number of physical channels connected to the AI Device and the Sound Mode. Channel Group Number = (the number of physical channels connected to the Device - the number of physical channels connected to the Device of Echo) / Sound Mode.
-
Interface (Audio input peripherals)
AI Interface is an abstraction of audio input peripheral interfaces in audio codec, such as Amic/Dmic/I2S/HDMI interfaces.
-
Attach
AI Attach refers to mounting Interface to the MUX corresponding to WDMA, that is, associating Device with Interface. For AI Device, Attach is to set the MUX corresponding to WDMA, select which Interface data can pass through the MUX, and WDMA will do the subsequent data transfer. AI Device does not support dynamic Attach Interface.
The following figure is the result of attaching Dmic and ADC to WDMA2. MUX selects Dmic and ADC0/1 as two data sources and connects to WDMA2, so that WDMA2 can receive data from Dmic and ADC0/1.

-
Echo
AI Echo refers to the AEC reference data provided by the audio codec. It can be seen from the audio codec block diagram that the input of SRC is the signal output by RDMA and amplified by DPGA, and the output of SRC is the signal after re-sampling the input, which can be sent to WDMA through Multi Channel as the echo reference data of the AEC algorithm. For AI Device, Echo represents the output signal of SRC in the audio codec block diagram. For AO Device, Echo means to connect the output of AO Device to the input of SRC. The following figure shows the data flow of AI Device and AO Device using Echo at the same time with a simple block diagram. The application can obtain the aligned AEC far end and near end data.

-
Sound Mode
AI Sound Mode refers to how many physical channels a channel group consists of, and how many Channel Groups a Device has depends on the number of physical channels on the attach and the Sound Mode.
Channel Group Number = (Physical Channels on Attach - Echo Channels on Attach) / Sound Mode.
-
Gain
AI Gain in audio3.0 architecture is divided into two categories: one is the Gain associated with Device, which is generally implemented by DPGA; the other is the unique Gain of Interface. Currently, the Interface with Gain has ADC and Dmic interfaces. For AI, if the Interface itself does not have an independent Interface Gain and is not connected to Dpga, the Gain setting cannot be performed. For details, see the Codec block diagram of the chip.
-
Format
What data format is used to represent an audio sample. Currently, only S16_LE format (PCM Linear 16bit (Little Endian)) is supported.
-
Sample Rate
The frequency the recording device samples the analog signal per unit time. The higher the sampling frequency, the more realistic and natural the waveform of the mechanical wave.
-
Period Size
For AI Device, Period Size represents the amount of data contained in each AI buffer (number of samples).
-
Interleave
For AI Device, whether Interleave is turned on or not determines how MI_AI stores the data of the Channel Group. If Interleave is turned on, the data of each physical channel in the Channel Group is stored interleaved by sample. If Interleave is closed, the data of each physical channel in the Channel Group is stored separately.
-
I2S parameter
-
I2S Mode
I2S Mode determines the working mode of I2S, whether it is standard I2S mode or Tdm I2S mode (2Channel or multi-channel), Master or Slave (Master provides synchronous clock, Slave receives synchronous clock). Generally speaking, there are no restrictions on the working mode, as long as it can match the external Codec clock.
-
I2S BitWidth
The bit width of I2S sending and receiving data, currently support 16/32bit(The Souffle series only supports 16 bits), but the hardware can only process 16bit, which means that when the bit width is 32bit, the lower 16bit is invalid data.
-
I2S Format
I2S Format is the alignment of I2S. Currently, only I2S Philips and Left-justified alignment are supported. The following figure shows the waveforms of these two formats.


I2S Philips alignment format, the first data bit of the sample data appears after the first BCLK (serial clock) of the WCLK (left and right channel switching clock) transition. In the left-aligned format, the first data bit of the sample data appears in the first BCLK (serial clock) of the WCLK (left and right channel switching clock) transition, and the polarity of WCLK is opposite to the alignment format of I2S Philips.
-
I2S Sample Rate
The sample frequency of I2S transmission and reception.
-
Mclk
Mclk, called the master clock, also called the system clock (System Clock), is generally 256 or 384 times the sample rate. The function is to enable better synchronization between systems, but it is not necessary. Currently 12.288M, 16.384M, 18.432M, 24.576M, 24M, 48M, etc. are supported(See data types for details on which MCLK are supported).
-
bSyncClock/4-Wire/6-Wire Mode
There are two wiring methods for SigmaStar's I2S. One is the 4-Wire mode, including RX_WCK, RX_BCK, RX_SDI, TX_SDO four wires. In this mode, TX does not have an independent clock, and all clocks are provided by RX. Therefore, in this mode, TX needs to rely on RX to use. TX cannot be used alone, and the parameters of I2S TX must be consistent with I2S RX. The other is 6-Wire mode, including RX_WCK, RX_BCK, RX_SDI, TX_WCK, TX_BCK, TX_SDO six wires. In this mode, RX and TX are independent and not related. The choice of 4-Wire/6-Wire Mode needs to be decided according to specific scenarios.
If bSyncClock in the MI API I2S parameter is TRUE, 4-Wire Mode is used, and FALSE is 6-Wire Mode. The RX and TX belonging to the same group of I2S cannot be set to 4-Wire Mode on one side and 6-Wire Mode on the other side.
-
Slot
Slot represents the number of channels transmitted by I2S. Currently, 2 slots are supported in I2S mode, and 4/8 slots (Mochi series and Souffle series chips support 16 slots) are supported in Tdm mode.
-
-
PCM
The standard I2S (2Chn) protocol is one of the most commonly used PCM protocols. PCM can transmit multi-channel data, such as 4channel, 8channel, 16channel, etc, which is the TDM protocol (different from the standard I2S (2chn) protocol in a specific format). Generally used to transmit mono data is also often referred to as PCM (except for the commonly used standards I2S and TDM, others are collectively referred to as PCM). In addition to the standard I2S (2chn) setting of Sigmastar Audio, other Timing including 1Chn PCM related Settings are uniformly set in the parameters of TDM mode.
1.2. Basic Structure¶
For the audio subsystem of the Pcupid chip, please refer to the introduction in 1.2.6. Pcupid Series.
1.2.1 Audio Codec Device Description¶
-
DMA
Direct Memory Access, DMA transfer copies data from one address space to another address space, and provides high-speed data transfer between peripherals and memory or between memory and memory. When the CPU initializes this transfer action, the transfer action itself is realized and completed by the DMA controller. The DMA transmission method does not require the CPU to directly control the transmission, and there is no interrupt processing method to retain the scene and restore the scene process. The hardware opens a channel for direct data transmission for RAM and IO devices, which greatly improves the efficiency of the CPU.
-
WDMA
Direct Memory Access Writer.
-
RDMA
Direct Memory Access Reader.
-
MUX
MUX is the multiplexer data selector. In the process of multiplexing data transmission, any circuit that can be multiplexed out according to needs. The Mux in front of WDMA selects multiple data sources for WDMA, which can support the selection of 1/ 2/ 4 data sources (the data sources can be the same or different),but the Souffle series chips support a maximum of 8 data sources of 16Chn. Each data source has two channels, that is, the selection of 2/ 4/ 8/ 16 channels data is written to DRAM by WDMA, which acts as a multiplexer. However, the Mux, which is close to the output peripheral interface (such as I2S TX/HDMI/DAC, etc.), realizes the function of selecting one or selecting more.
-
DPGA
Digital Programmable Gain Amplifier, is a very versatile amplifier, and its amplification factor can be controlled by a program as needed.
-
DMIC
Digital Microphone Interface, audio codec only provides DMIC interface, not a complete DMIC. The DMIC interface provides the clock signal required for DMIC work, and receives the PDM signal from the DMIC.
-
ADC
Analog Digital Conversion, the electronic component that convert analog signals into digital signals.
-
I2S
Inter-IC Sound integrated circuit built-in audio bus, is a bus standard developed by Philips for audio data transmission between digital audio devices. Sigmastar's I2S bus only supports the standard I2S data format and the left-justified I2S data format. At the same time, it also supports TDM (Time-Division Multiplexing) technology, which interleaves different signals in different time periods and transmits them along the same channel, which can support 4/8/16 (Mochi series chips support 16 slots) channel data transmission.
-
DAC
Digital Analog Conversion, the electronic component that convert digital signals into analog signals.
-
SRC
Sample Rate Convert.
-
HDMI
HDMI (High Definition Multimedia Interface), an AO output interface, is a fully digital video and audio transmission interface that can transmit uncompressed audio and video signals.
-
Mixer
Mixer, uses an algorithm of linear superposition and averaging (if the volume of one audio channel is particularly low, the volume of the entire mixing result will be pulled down), and the sampling rate of the output can be set after mixing.
1.2.2. Muffin series¶

The audio codec of Muffin series chips has the following resources:
-
WDMA * 5
-
RDMA * 3
-
DMIC interface (support 4Chn DMIC signal) * 1
-
ADC (support 2Chn Amic/Linein) * 2
-
I2S-TDM RX * 4
-
I2S-TDM TX * 2
-
DAC (support 2Chn Lineout) * 2
-
SRC * 1
-
HDMI TX * 1
1.2.3. Mochi series¶

The audio codec of Mochi series chips has the following resources:
-
WDMA * 3
-
RDMA * 2
-
DMIC interface (support 4Chn DMIC signal) * 1
-
ADC (support 2Chn Amic/Linein) * 2
-
I2S-TDM RX (16 slot) * 1
-
I2S-TDM TX (16 slot, but there are only two channels of valid data) * 1
-
DAC (support 2Chn Lineout) * 2
-
SRC * 1
-
HDMI TX * 1
1.2.4. Maruko series¶

The audio codec of Maruko series chips has the following resources:
-
WDMA * 1
-
RDMA * 1
-
DMIC interface (support 6Chn DMIC signal) * 1
-
ADC (support 2Chn Amic/Linein) * 2
-
I2S RX(2 slot) * 2
-
I2S TX(2 slot) * 1
-
DAC (support 2Chn Lineout) * 2
-
SRC * 1
1.2.5. Souffle series¶

The audio codec of Souffle series chips has the following resources:
-
WDMA * 2
-
RDMA * 1
-
DMIC interface (support 6Chn DMIC signal;DMIC CLK can be shared with I2S_RX BCK) * 1
-
ADC (support 3Chn Amic/Linein,Differential Input) * 3
-
I2S-TDM RX (16 slot) * 1
-
I2S-TDM TX (16 slot) * 1
-
DAC (support 2Chn Lineout Single Output) * 2
-
SRC(2 physical channels) * 1
1.2.6. Pcupid series¶

The audio codec of Pcupid series chips has the following resources:
-
WDMA * 2
-
RDMA * 3
-
DMIC interface (support 8Chn DMIC signal) * 1
-
ADC (support 2Chn Amic/Linein) * 2
-
I2S-TDM RX * 3
-
I2S-TDM TX * 3
-
DAC (support 2Chn Lineout) * 2
-
SRC * 2
1.3. Function Introduction¶
Audio In mainly supports the following functions:
-
Convert analog audio signals into digital streams through ADC, compatible with single-ended and differential inputs
-
Support I2S/PDM/TDM/HDMI-RX/SPDIF-RX digital interface input
-
Multi-channel PDM interface supports digital microphone array access
-
Provide -64dB~+64dB range gain control
-
Built-in fifth-order digital filter for anti-aliasing and digital high-pass filter
-
Support 16/24/32bit bit width
1.3.1 DMA¶
-
Data bit width: Support 16/24/32bit data access
-
Multi-channel support:
- WDMA supports up to 16 channels
1.3.2 ADC¶
-
ADC Features:
- Input mode: Multiple single-end or multiple differential
1.3.3 I2S¶
-
I2S master interface:
-
Receiving channel: multi-channel input
-
Bit width support: 16/24/32bit
-
Sampling rate range:
RX: 8/16/32/44.1/48/96/192KHZ
-
Working mode: RX supports master and slave modes, TDM mode
-
1.3.4. SPDIF-RX¶
-
Protocol support:
-
IEC-60958
-
IEC-61937
-
-
Audio Format:
-
Uncompressed mode:
-
Maximum 24bit bit width
-
Support 32KHz, 44.1KHz, 48KHz, 88.2KHz, 96KHz, 192KHz sampling rates
-
-
Compression mode:
-
Fixed 16-bit bit width
-
Support AC-3/MPEG/DTS/AAC formats
-
-
-
Channel status: Support consumer applications format
1.3.5. DMIC¶
-
Basic parameters:
-
Number of channels: 2, 4, 6, 8 channels
-
Bit width mode: Support 16/32bit
-
Sampling rate range: 8/16/32/48KHZ
-
PDM protocol: Master receiving mode
-
-
Clock Configuration:
Target Sample Rate Supported Clock Rates 48kHz 4.8/2.4MHz 32kHz 4.8/2.4MHz 16kHz 4.8/2.4/1.2/0.8MHz 8kHz 2.4/1.2/0.6MHz
1.3.6. DPGA¶
-
Gain Range: -63.875dB ~ + 64dB
-
Adjustment accuracy: 0.125dB /Step
-
Fading step size: 1/ 2/ 4/ 8/ 16/ 32/ 64/ 128
1.4. Application scenarios¶
MI_AI can be applied to the following scenarios:
-
Pure Linux scenario
In the Linux environment, it supports development based on the API interface provided by MI_AI, and is also compatible with the standard ALSA interface for audio development. For ALSA development, please refer to Audio Development Guide.
-
Pure RTOS scenario
In the RTOS environment, applications can be developed based on the API interface provided by MI_AI.
-
Dualos scenario
In the dualOS environment, applications running on the Linux side or the RTOS side are all developed based on the MI_AI API.
1.5. Chip Differences¶
For the audio subsystem of the Pcupid chip, please refer to the introduction in 1.2.6. Pcupid Series.
1.5.1. Muffin series¶
Muffin series chips have I2S RX * 4, but I2S RX C and I2S RX D have two modes, one is called share mode and the other is called slave mode. In share mode, I2S RX C and I2S RX A share I2S Clock (Wck and Bck), and I2S RX D and I2S RX B share I2S Clock (Wck and Bck). When both I2S RX A and I2S RX C need to be used at the same time The I2S parameters of the I2S must be completely consistent. The Codec that is connected to the I2S RX C needs to connect the I2S Clock pins (Wck and Bck) to the I2S Clock (Wck and Bck) of the I2S RX A, and the Data pin to the Data of the I2S RX C. Then, the hardware solution is shown in the figure below. Slave mode, I2S RX C and I2S RX D have independent clocks, but they can only be used as slaves. These two modes can be set by i2s-rx-mode under the dts sound node, 0 is slave mode, and 1 is share mode.

1.5.2. Mochi series¶
The Mochi series chip I2S supports a maximum of 16 slots, and the sampling rate is newly added to support 96K/192K. Note: In the usage scenario of I2S, the maximum I2S BCK cannot exceed 30MHz (eg: BCK=16bit * 16slots * 192K=49.152M or BCK=32bit * 16slots * 192K=98.304M, the usage of BCK > 30MHz is not supported). MUX currently supports up to 8 channels, so if you need to use I2S RX 16slot, you need to attach 16-channel data to two DMAs.
1.5.3. Maruko series¶
Maruko series chips, although there are two sets of I2S RX, but two sets of I2S RX cannot be used at the same time. Here are two sets of I2S RX usage scenarios:
-
I2S RX:
-
External codec transmits non-I2S signals, which need to be adjusted to Wck and Bck, such as receiving PCM signals.
-
Need to synchronize with Dmic Share clock to achieve Dmic and I2S RX.
-
External codec works in master mode.
-
I2S TRX:
-
Need to use I2S TX.
The I2S RX is selected by using the i2s-pcm under the dts sound node. 1 is I2S RX and 0 is I2S TRX. In addition, whether I2S RX and Dmic share clock are configured through dmic-bck-share. 1 is the share clock, and 0 is the independent clock.
1.5.4. Souffle series¶
BGA supports 3Chn Amic/Linein Differential Input, and QFN128 supports only 2Chn Amic/Linein Differential Input(Mic1 and Mic2). When used QFN128 encapsulation, you need to modify the DTS node "adc-out-sel = <1 2 1 2>", Refer to the Souffle series chip block diagram.
Souffle series chip I2S supports up to 16slot, 96K/192K sampling rate and 1Chn PCM, but does not support 32bit wide transceiver. Compared with the old SOC, it supports MCLK output with more frequency.
Currently, MUX supports a maximum of 16channels and can attach 16channels to the same DMA.
I2S RX 'BCK' supports Dmic 'CLK' share clock. Whether to configure I2S RX with Dmic share clock through 'dmic-bck-share' in dts. '1' indicates the share clock and '0' indicates the independent clock.
I2S supports short FF mode(which is configured through 'the i2s-rx-short-ff-mode/i2s-tx-short-ff-mode' node in dts) and supports WS_DLY=1~3, where WS_DLY=0 means NO short FF mode. The figures below respectively show the corresponding sequences of NO short-FF-mode and short-FF-mode.


Note: In the usage scenario of I2S, the maximum BCK of I2S cannot exceed 30MHz(e.g. BCK=16bit * 16slots * 192K=49.152M, BCK > 30MHz usage is not supported).
1.5.5. Pcupid Series¶
The I2S of the Pcupid series chips supports a maximum of 8 slots, sampling rates of 96K/192K, 1-channel PCM, and transceiving with 16/24/32-bit widths.
WDMA0 currently supports a maximum of 16 channels and allows attaching 16 channels of audio data to the same DMA simultaneously. WDMA1 currently supports a maximum of 8 channels and allows attaching 8 channels of audio data to the same DMA simultaneously.
I2S RX0 'BCK' supports sharing a clock with Dmic 'CLK'. Whether I2S RX0 shares a clock with Dmic is configured via dmic-bck-share, where 1 indicates clock sharing and 0 indicates independent clocks.
I2S supports the short FF mode (configured via the nodes i2s-rx-short-ff-mode/i2s-tx-short-ff-mode in the DTS), and supports WS_DLY = 1~3, where WS_DLY = 0 means no short FF mode.
1.5.6. Summary of Differences¶
The following table outlines the hardware differences between different chip series:
| Function | Pcupid | Tiramisu | Mochi | Muffin | Maruko | Opera | Souffle |
|---|---|---|---|---|---|---|---|
| WDMA | 2 | 2 | 2 | 5 | 1 | 2 | 2 |
| ADC | 3 | 3 | 2 | 2 | 2 | 3 | 3 |
| I2S_RX | 2 8ch 16/24/32bit 8k~192k |
1 8ch 16bit |
1 8ch 16bit |
3 8ch 16bit |
1 8ch 16bit |
2 16ch 16bit 8/16/32/44.1/48k |
1 16ch 16bit |
| SPDIF_RX | 1 24bit 32k~192k |
N | N | N | N | N | N |
| HDMI_RX | N | N | N | N | N | 1 2ch 16bit 32/44.1/48k |
N |
| DMIC | 8ch | 4ch | 4ch | 4ch | 6ch | 8ch | 6ch |
| RDMA | 3 | 2 | 2 | 3 | 1 | 2 | 2 |
| DAC | 2 | 2 | 2 | 2 | 2 | 2 | 2 |
| I2S_TX | 3 2ch 16/24/32bit |
1 | 1 2ch 16bit |
3 2ch 16bit |
1 2ch 16bit |
2 2ch 16bit |
1 2ch 16bit |
| SPDIF_TX | N | N | N | N | N | 1 | N |
| HDMI_TX | N | N | N | N | N | N | N |
| ECHO | Y | Y | Y | Y | Y | Y | Y |
1.6. Development Process¶
1.6.1. Compilation Configuration¶
-
Enter the alkaid project root directory, make menuconfig

-
Press Enter to enter the Sdk Config sub-option

-
Press Enter to enter the Interface Compile Config sub-option

-
Use the spacebar to select the aio and ai submodules and recompile the project
After compilation is complete, mi_ai.ko will be generated under sdk/interface/src/ai, and mi_aio.ko will be generated under sdk/interface/src/aio. At the same time, release mi_ai.h, mi_ai_datatype.h and mi_aio_datatype.h to the project/release directory. In a pure Linux environment, it will be packaged into images by default.
1.6.2. Device Tree¶
1.6.2.1 Linux DTS
The Linux device tree is used to describe the hardware platform and its peripheral properties. The file is located in linux/arch/{arm}/boot/dts/{chipName}.dtsi, and the audio related file is sound:
sound: sound {
compatible = "sstar,audio";
interrupts=<GIC_SPI INT_IRQ_BACH IRQ_TYPE_LEVEL_HIGH>;
clocks = <&CLK_au_sys_384>, <&CLK_aupll_384m>, <&CLK_au_sys_dyn_384>;
// I2S RX0 TDM
i2s-rx0-tdm-mode = <2>; // 1:master 2:slave
i2s-rx0-tdm-fmt = <1>; // 1:i2s justify 2:left justify
i2s-rx0-tdm-wiremode = <2>; // 1:4wire 2:6 wire
i2s-rx0-channel = <2>;
i2s-rx0-tdm-ws-pgm = <0>; // 0: OFF 1: ON
i2s-rx0-tdm-ws-width = <0>; // value: 0~31 (width = value + 1)
i2s-rx0-tdm-ws-inv = <0>; // 0: normal 1: inverse WCK
i2s-rx0-tdm-bck-inv = <0>; // 0: normal 1: inverse BCK
i2s-rx0-tdm-ch-swap = <0 0 0 0>; // 0: OFF 1: ON
i2s-rx0-short-ff-mode = <0>;
// dmic bck mode
/* select (sampling rate, output clock)
0: not select
1:(8k, 600kHz) low-power
2:(8k, 1200kHz)
3:(8k, 2400kHz)
4:(16k, 800kHz) low-power
5:(16k, 1200kHz)
6:(16k, 2400kHz)
7:(16k, 4800kHz)
8:(32k, 2400kHz)
9:(32k, 4800kHz)
a:(48k, 2400kHz)
b:(48k, 4800kHz) */
dmic-bck-mode = <3 6 9 11>;
dmic-bck-ext-mode = <0>;
// hpf default level
hpf-adc1-level = <1 20>;//1:Enable HPF 0:Disable HPF; 20:cutoff frequency;
hpf-adc2-level = <1 20>;
hpf-dmic-level = <1 20>;
adc-out-sel = <0 1 2 2>;
debug-level = <0>;
status = "okay";
};
The properties of the device tree configuration are as follows:
| Attribute | Description | Note |
|---|---|---|
| interrupts | Specify hardware interrupt number | Modification prohibited |
| clocks | Specify clock source | Modification prohibited |
| i2s-tdm-mode | Master-slave mode | 1: Master mode 2: Slave mode |
| i2s-tdm-fmt | I2S format | 1: Standard format 2: Left-aligned format |
| i2s-tdm-wiremode | Configure I2S wiring mode | 1: 4-wire mode 2: 6-wire mode |
| i2s-channel | Configure the number of I2S channels | Value range: 1, 2, 4, 8 |
| i2s-tdm-ws-pgm | TDM programmable mode | 0: OFF, width attribute is not effective, WCK duty cycle is fixed to 50% 1: ON, WCK width is (width+1)*bclk |
| i2s-tdm-ws-width | Configure the width of tdm WCK | 0~31 (width = value + 1) |
| i2s-tdm-ws-inv | I2S wck inversion | 0: Do not invert 1: Invert |
| i2s-tdm-bck-inv | I2S bck inversion | 0: Do not invert 1: Invert |
| i2s-tdm-ch-swap | Configure rx i2s channel swap | <0 0 0 0> <0 1 0 0> <1 0 0 0> <1 1 0 0> |
| i2s-short-ff-mode | short FF mode | 0: Disable 1: Enable |
| adc-out-sel | Select ADC path | ADC path binds ADC hardware |
| dmic-bck-mode | Configure dmic bck | Can be modified as needed |
| dmic-bck-ext-mode | Configure dmic bck source | 0: dmic internal clock 1: I2S BCK |
| hpf-adc1-level | ADC0/1 High pass filter level | switch: 0: Do not use this level 1: Use this level freq: cutoff frequency(0~sample rate/32) |
| hpf-adc2-level | ADC2 High pass filter level | switch: 0: Do not use this level 1: Use this level freq: cutoff frequency(0~sample rate/32) |
| hpf-dmic-level | High pass filter level | switch: 0: Do not use this level 1: Use this level freq: cutoff frequency(0~sample rate/32) |
| debug-level | Control dump level | 0x00000001: debug fot test 0x00000002: Dump dma LOG information 0x00000004: Dump analog part information 0x00000008: Dump I2S information 0x00000010: Dump DMIC information 0x00000020: Dump interrupt information 0x00000040: Dump delay 0x00000080: Dump attach path information 0x00000100: Dump power information 0x00000200: Dump Clock information 0x00000400: Dump pcm data 0x00000800: Dump SPDIF information |
-
ADC channel selection
adc-out-sel = <ADC0_CHN>, <ADC1_CHN>, <ADC2_CHN>, <ADC3_CHN>;adc channel value description ADC0_CHN 0/½ Channel bind ADC<value>ADC1_CHN 0/½ Channel bind ADC<value>ADC2_CHN 0/½ Channel bind ADC<value>ADC3_CHN 0/1 0: Copy ADC2_CHN
1: Fixed to 0 -
dmic bck mode
dmic-bck-mode = <8k> , <16k> , <32k> , <48k>value sample rate dmic bck 0 NA no select 1 8k 600Khz (low-power) 2 8k 1200Khz 3 8k 2400Khz 4 16k 800Khz(low-power) 5 16k 1200Khz 6 16k 2400Khz 7 16k 4800Khz 8 32k 2400Khz 9 32k 4800Khz a 48k 2400Khz b 48k 4800Khz
1.6.2.2 RTOS SYS
{chipName}_xxx.sys file is used to describe the properties of peripheral hardware. The property values contained in the peripheral node can be used to configure the peripheral, similar to the Linux device tree. The file is located in sc/driver/sysdriver/sysdesc/hal/{chipName}/pub, and the audio related file is sound:
<sound>
[compatible_str] "sstar,audio";
[interrupts_u8] INT_IRQ_BACH;
[camclk_u16] CAMCLK_upll_480m, CAMCLK_bachpll_384m, CAMCLK_aupll_384m;
[debug_level_u32] 0x0000;
[adc_out_sel_u8] 0, 1, 2, 1;
[dmic_bck_mode_u8] 3, 6, 8, 10;
[dmic_bck_ext_mode_u8] 0;
[hpf_adc1_level_u8] 1, 20;
[hpf_adc2_level_u8] 1, 20;
[hpf_dmic_level_u8] 1, 20;
The properties supported by the RTOS audio driver are as follows:
| Properties | Description | Notes |
|---|---|---|
| interrupts_u8 | Specify hardware interrupt number | Modification prohibited |
| camclk_u16 | Specify clock source | Modification prohibited |
| debug_level_u32 | Debug log level | Can be modified as needed |
| adc_out_sel_u8 | Select ADC path | ADC path binds ADC hardware |
| dmic_bck_mode_u8 | Configure dmic bck | Can be modified as needed |
| dmic_bck_ext_mode_u8 | Configure dmic bck source | 0: dmic internal clock 1: I2S BCK |
| hpf_adc1_level_u8 | ADC0/1 high pass filter level | Can be modified as needed |
| hpf_adc2_level_u8 | ADC2 high pass filter level | Can be modified as needed |
| hpf_dmic_level_u8 | High pass filter level | Can be modified as needed |
-
debug level
Property name Description Value range debug-level Control Dump level 0x00000001: debug fot test
0x00000002: Dump dma LOG information
0x00000004: Dump analog part information
0x00000008: Dump I2S information
0x00000010: Dump DMIC information
0x00000020: Dump interrupt information
0x00000040: Dump delay
0x00000080: Dump attach path information
0x00000100: Dump power information
0x00000200: Dump Clock information
0x00000400: Dump pcm data
0x00000800 : Dump SPDIF information -
ADC channel selection
[adc_out_sel_u8] <ADC0_>, <ADC1>, <ADC2>, <ADC3>;adc channel value description ADC0_CHN 0/½ Channel bind ADC<value>ADC1_CHN 0/½ Channel bind ADC<value>ADC2_CHN 0/½ Channel bind ADC<value>ADC3_CHN 0/1 0: Copy ADC2_CHN
1: Fixed to 0 -
dmic bck mode
[dmic_bck_mode_u8] <8k> , <16k> , <32k> , <48k>value sample rate dmic bck 0 NA no select 1 8k 600Khz (low-power) 2 8k 1200Khz 3 8k 2400Khz 4 16k 800Khz(low-power) 5 16k 1200Khz 6 16k 2400Khz 7 16k 4800Khz 8 32k 2400Khz 9 32k 4800Khz a 48k 2400Khz b 48k 4800Khz -
High pass filter
[hpf_adc1_level_u8] <switch>, <freq>;Property name Description Value range hpf_adc1_level_u8 Set the high pass filter of adc0/1 path switch:
0: Do not use this level
1: Use this level
freq:
cutoff frequency(0~sample rate/32)hpf_adc2_level_u8 Set the high pass filter of adc2 path switch:
0: Do not use this level
1: Use this level
freq:
cutoff frequency(0~sample rate/32)hpf_dmic_level_u8 Set the high pass filter of the dmic path switch:
0: Do not use this level
1: Use this level
freq:
cutoff frequency(0~sample rate/32)
1.6.3. Interface call¶
MI_AI_Open: Open AI deviceMI_AI_GetI2SConfig: Configure i2s propertiesMI_AI_AttachIf: Attach peripherals to DMA devicesMI_AI_SetIfGain: Set peripheral gainMI_AI_SetGain: Set digital gainMI_AI_EnableChnGroup: Enable channel groupMI_AI_Read: Read audio dataMI_AI_ReleaseData: Release the audio data buffer spaceMI_AI_DisableChnGroup: Disable channel groupMI_AI_Close: Close the AI device
1.7. Example Introduction¶
This section introduces the use of the Audio In interface based on 1.6.3. Interface Call. The following example code implements the complete process of initialization, configuration, data recording and resource release of the audio input subsystem.
/* SigmaStar trade secret */ /* Copyright (c) [2019~2020] SigmaStar Technology. All rights reserved. Unless otherwise stipulated in writing, any and all information contained herein regardless in any format shall remain the sole proprietary of SigmaStar and be kept in strict confidence (SigmaStar Confidential Information) by the recipient. Any unauthorized act including without limitation unauthorized disclosure, copying, use, reproduction, sale, distribution, modification, disassembling, reverse engineering and compiling of the contents of SigmaStar Confidential Information is unlawful and strictly prohibited. SigmaStar hereby reserves the rights to any and all damages, losses, costs and expenses resulting therefrom. */ #include <stdio.h> #include <stdlib.h> #include <unistd.h> #include <string.h> #include <sys/types.h> #include <sys/stat.h> #include <sys/time.h> #include <pthread.h> #include <signal.h> #include "mi_sys.h" #include "mi_ai.h" #include "st_common_audio.h" #include "st_common.h" MI_S32 ST_AddWaveHeader(WaveFileHeader_t *tWavHead, SoundMode_e enSoundMode, SampleRate_e enSampleRate, MI_U32 u32Len) { tWavHead->chRIFF[0] = 'R'; tWavHead->chRIFF[1] = 'I'; tWavHead->chRIFF[2] = 'F'; tWavHead->chRIFF[3] = 'F'; tWavHead->chWAVE[0] = 'W'; tWavHead->chWAVE[1] = 'A'; tWavHead->chWAVE[2] = 'V'; tWavHead->chWAVE[3] = 'E'; tWavHead->chFMT[0] = 'f'; tWavHead->chFMT[1] = 'm'; tWavHead->chFMT[2] = 't'; tWavHead->chFMT[3] = 0x20; tWavHead->dwFMTLen = 0x10; if (enSoundMode == E_SOUND_MODE_MONO) { tWavHead->wave.wChannels = 0x01; } else if (enSoundMode == E_SOUND_MODE_STEREO) { tWavHead->wave.wChannels = 0x02; } tWavHead->wave.wFormatTag = 0x1; tWavHead->wave.wBitsPerSample = 16; // 16bit tWavHead->wave.dwSamplesPerSec = enSampleRate; tWavHead->wave.dwAvgBytesPerSec = (tWavHead->wave.wBitsPerSample * tWavHead->wave.dwSamplesPerSec * tWavHead->wave.wChannels) / 8; tWavHead->wave.wBlockAlign = 1024; tWavHead->chDATA[0] = 'd'; tWavHead->chDATA[1] = 'a'; tWavHead->chDATA[2] = 't'; tWavHead->chDATA[3] = 'a'; tWavHead->dwDATALen = u32Len; tWavHead->dwRIFFLen = u32Len + sizeof(WaveFileHeader_t) - 8; return MI_SUCCESS; } MI_S32 ST_Common_CheckMkdirOutFile(char *pFilePath) // file path and file name { MI_S32 s32Ret = MI_SUCCESS; MI_U16 u16size; MI_U8 i; char FilePath[256]; char * p = NULL; strcpy(FilePath, pFilePath); p = strrchr(FilePath, '/'); // get file path if (p) { *(p + 1) = '\0'; } u16size = strlen(FilePath); ST_INFO("ST_CheckMkdirOutFile FilePath: %s ,u16size = %d \n", FilePath, u16size); // filepath is exist s32Ret = access(pFilePath, 0); if (s32Ret == 0) { goto EXIT; } // skip the first '/', e.g:/tmp/stable_m6 for (i = 1; i < u16size; i++) { if (FilePath[i] == '/') { FilePath[i] = '\0'; s32Ret = access(FilePath, 0); if (s32Ret != MI_SUCCESS) { s32Ret = mkdir(FilePath, 0777); if (s32Ret != MI_SUCCESS) { ST_ERR("FilePath %s mkdir fail\n", FilePath); goto EXIT; } } FilePath[i] = '/'; } } s32Ret = access(FilePath, 0); if (u16size > 0 && s32Ret != 0) { s32Ret = mkdir(FilePath, 0777); if (s32Ret != MI_SUCCESS) { printf("[%s]:%d FilePath %s mkdir fail\n", __FUNCTION__, __LINE__, FilePath); goto EXIT; } } EXIT: return s32Ret; } MI_U32 ST_DumpAIData(char *pDumpFileName, MI_AUDIO_DEV AiDevId, MI_U8 u8ChnGrpId) { MI_AI_Data_t stMicFrame; MI_AI_Data_t stEchoFrame; MI_S32 s32Ret; struct timeval beforeWriteFile, afterWriteFile, lastRead, nowRead, baseRead; MI_S64 beforeWriteFileUs = 0, afterWriteFileUs = 0, lastReadUs = 0, nowReadUs = 0; MI_U8 u8DumpFileIdx = 0; FILE * AiChnFd = NULL; MI_U32 u32MicDumpSize = 0; WaveFileHeader_t stWavHead = {0}; // write header format AiChnFd = fopen((char *)pDumpFileName, "w+"); if (NULL == AiChnFd) { printf("Failed to open output file [%s].\n", pDumpFileName); return -1; } ST_AddWaveHeader(&stWavHead, E_SOUND_MODE_MONO, E_MI_AUDIO_SAMPLE_RATE_8000, u32MicDumpSize); s32Ret = fwrite(&stWavHead, sizeof(WaveFileHeader_t), 1, AiChnFd); if (s32Ret != 1) { printf("Failed to write dump wav head.\n"); fclose(AiChnFd); return -1; } // accept 10 seconds of audio gettimeofday(&nowRead, NULL); gettimeofday(&lastRead, NULL); gettimeofday(&baseRead, NULL); while ((nowRead.tv_sec - baseRead.tv_sec) < 10) { memset(&stMicFrame, 0, sizeof(MI_AI_Data_t)); memset(&stEchoFrame, 0, sizeof(MI_AI_Data_t)); s32Ret = MI_AI_Read(AiDevId, u8ChnGrpId, &stMicFrame, &stEchoFrame, -1); if (MI_SUCCESS == s32Ret) { gettimeofday(&nowRead, NULL); nowReadUs = nowRead.tv_sec * 1000000 + nowRead.tv_usec; lastReadUs = lastRead.tv_sec * 1000000 + lastRead.tv_usec; printf("######## Ai Device %d ChnGrp %d cost time of getting one frame:%lldms ########\n", AiDevId, u8ChnGrpId, (nowReadUs - lastReadUs) / 1000); lastRead = nowRead; /* save mic file data */ gettimeofday(&beforeWriteFile, NULL); fwrite(stMicFrame.apvBuffer[0], 1, stMicFrame.u32Byte[0], AiChnFd); gettimeofday(&afterWriteFile, NULL); beforeWriteFileUs = beforeWriteFile.tv_sec * 1000000 + beforeWriteFile.tv_usec; afterWriteFileUs = afterWriteFile.tv_sec * 1000000 + afterWriteFile.tv_usec; if (afterWriteFileUs - beforeWriteFileUs > 10 * 1000) { printf("Ai Device %d ChnGrp %d Chn %d cost time of writing one frame:%lldms.\n", AiDevId, u8ChnGrpId, u8DumpFileIdx, (afterWriteFileUs - beforeWriteFileUs) / 1000); } u32MicDumpSize += stMicFrame.u32Byte[0]; s32Ret = MI_AI_ReleaseData(AiDevId, u8ChnGrpId, &stMicFrame, &stEchoFrame); if (s32Ret != MI_SUCCESS) { printf("%s:%d MI_AI_ReleaseData s32Ret:%d\n", __FUNCTION__, __LINE__, s32Ret); } } else { printf("Failed to get frame from Ai Device %d ChnGrp %d, error:0x%x\n", AiDevId, u8ChnGrpId, s32Ret); } } // write data size in header ST_AddWaveHeader(&stWavHead, E_SOUND_MODE_MONO, E_MI_AUDIO_SAMPLE_RATE_8000, u32MicDumpSize); fseek(AiChnFd, 0, SEEK_SET); s32Ret = fwrite(&stWavHead, sizeof(WaveFileHeader_t), 1, AiChnFd); if (s32Ret != 1) { printf("Failed to write dump wav head.\n"); fclose(AiChnFd); return -1; } fclose(AiChnFd); return NULL; } MI_S32 main(int argc, char **argv) { // init sys MI_SYS_Init(0); // init ai MI_AI_Attr_t stAiDevAttr; MI_AI_Attr_t *pstAiDevAttr = &stAiDevAttr; MI_AUDIO_DEV stAiDevId = 0; MI_U8 stChnGrpId = 0; MI_AI_If_e enAiIf[] = {E_MI_AI_IF_ADC_AB, E_MI_AI_IF_ECHO_A}; MI_S16 s8dpgaGain[] = {-10}; memset(&stAiDevAttr, 0x0, sizeof(MI_AI_Attr_t)); pstAiDevAttr->enFormat = E_MI_AUDIO_FORMAT_PCM_S16_LE; pstAiDevAttr->enSoundMode = E_MI_AUDIO_SOUND_MODE_MONO; pstAiDevAttr->enSampleRate = E_MI_AUDIO_SAMPLE_RATE_8000; pstAiDevAttr->u32PeriodSize = 1024; pstAiDevAttr->bInterleaved = TRUE; MI_AI_Open(stAiDevId, pstAiDevAttr); MI_AI_AttachIf(stAiDevId, aenAiIfs, u8AiIfSize); MI_AI_SetIfGain(aenAiIfs[0], 10, 10); MI_AI_SetGain(stAiDevId, stChnGrpId, s8dpgaGain, sizeof(s8dpgaGain) / sizeof(s8dpgaGain[0])); // enable ai chngroup MI_AI_EnableChnGroup(stAiDevId, stChnGrpId); // dump ai data MI_SYS_ChnPort_t stChnOutputPort; memset(&stChnOutputPort, 0x0, sizeof(stChnOutputPort)); stChnOutputPort.eModId = E_MI_MODULE_ID_AI; stChnOutputPort.u32DevId = stAiDevId; stChnOutputPort.u32ChnId = stChnGrpId; stChnOutputPort.u32PortId = 0; MI_SYS_SetChnOutputPortDepth(0, &stChnOutputPort, 3, 5); char *output_file = "out/audio/ai_dump.wav"; printf("output_file = %s\n", output_file); ST_Common_CheckMkdirOutFile(output_file); ST_DumpAIData(output_file, stAiDevId, stChnGrpId); // deinit ai MI_AI_DisableChnGroup(stAiDevId, stChnGrpId); MI_AI_Close(stAiDevId); // deinit sys MI_SYS_Exit(0); return 0; }
The main process of the example code:
-
System Initialization :
- Call
MI_SYS_Init(0);to initialize the system.
- Call
-
Audio input device configuration :
- Create and configure the MI_AI_Attr_t structure stAiDevAttr, set the audio format to PCM 16-bit little endian, mono, sample rate to 8000 Hz, period size to 1024, and interleaved mode to true.
-
Open audio input device :
- Use
MI_AI_Open(stAiDevId, pstAiDevAttr);to open the audio input device with device ID 0.
- Use
-
Set audio input interface and gain :
- Bind the audio input interfaces
E_MI_AI_IF_ADC_ABandE_MI_AI_IF_ECHO_Athrough theMI_AI_AttachIffunction. - Use
MI_AI_SetIfGainto set the peripheral gain to 10. - Use
MI_AI_SetGainto set the device digital gain to -10.
- Bind the audio input interfaces
-
Enable audio input channel group :
- Call
MI_AI_EnableChnGroup(stAiDevId, stChnGrpId);to enable the channel group, with the channel group ID being 0.
- Call
-
Set channel output port depth :
- Set the channel output port depth using
MI_SYS_SetChnOutputPortDepth.
- Set the channel output port depth using
-
Record and save audio data :
- Specify the output file path
out/audio/ai_dump.wav. - Call
ST_Common_CheckMkdirOutFileto create the directory and file. - Use the
MI_AI_Readfunction to read the audio data and dump the audio data into the specified WAV file.
- Specify the output file path
-
Disable and release resources :
- Call
MI_AI_DisableChnGroupto disable the channel group. - Use
MI_AI_Close(stAiDevId);to disable the audio input device and release resources.
- Call
2. API reference¶
Audio Input (AI) mainly implements functions such as configuring and enabling audio input devices and acquiring audio frame data.
| API Name | Features |
|---|---|
| MI_AI_Open | Enable audio input device |
| MI_AI_OpenWithCfgFile | Enable the audio input device and initialize it according to the config file |
| MI_AI_Close | Close AI devices |
| MI_AI_AttachIf | Mount peripherals to AI device |
| MI_AI_EnableChnGroup | Enable AI channel group |
| MI_AI_DisableChnGroup | Disable AI channel group |
| MI_AI_Read | Read audio data |
| MI_AI_ReleaseData | Release audio data |
| MI_AI_SetGain | Set the volume of the AI channel group |
| MI_AI_GetGain | Get the volume of the AI channel group |
| MI_AI_SetMute | Set the mute parameters of the AI channel group |
| MI_AI_GetMute | Get the mute parameters of the AI channel group |
| MI_AI_SetIfGain | Set AI peripheral volume |
| MI_AI_GetIfGain | Get AI peripheral volume |
| MI_AI_SetIfMute | Set AI peripheral mute parameters |
| MI_AI_GetIfMute | Get AI peripheral mute parameters |
| MI_AI_SetI2SConfig | Set I2S RX config info |
| MI_AI_GetI2SConfig | Get I2S RX config info |
| MI_AI_DupChnGroup | Sync status of AI channel group |
| MI_AI_InitDev | Initialize the AI device |
| MI_AI_DeInitDev | De-Initialize the AI device |
| MI_AI_GetAttr | Get AI device attributes |
2.1. MI_AI_Open¶
-
Features
Enable audio input device.
-
Syntax
MI_S32 MI_AI_Open(MI_AUDIO_DEV AiDevId, const MI_AI_Attr_t *pstAttr);
-
Parameters
Parameter Name Description Input/Output AiDevId AI device number Input pstAttr Device property pointer Input -
Return value
-
Zero: Successful
-
Non-zero: Failed, see error code for details
-
-
Dependency
-
Header: mi_ai.h
-
Library: libmi_ai.a/libmi_ai.so
-
-
Note
Audio input device attributes include data format, sound mode, sampling rate, audio data samples, and interleaving mode.
-
Audio data format (MI_AUDIO_Format_e)
The data format of the sampled samples. Only S16_LE is supported.(Pcupid supports S16_LE/S24_LE/S32_LE)
-
Audio sound mode (MI_AUDIO_SoundMode_e)
The physical channels included in the channel group.
MONO: 1 channel group contains 1 physical channel;
STEREO: 1 channel group contains 2 physical channels;
4CH: 1 channel group contains 4 physical channels;
6CH: 1 channel group contains 6 physical channels;
8CH: 1 channel group contains 8 physical channels.
-
Audio sampling rate (MI_AUDIO_SampleRate_e)
The number of samples in one second. The higher the sampling rate, the smaller the distortion, but the amount of data processed also increases.
-
Audio data samples(u32PeriodSize)
The number of samples contained in the audio data read each time. When the audio sampling rate is high, it is recommended to increase u32PeriodSize accordingly. If the collected sound is not continuous, please increase u32PeriodSize and buffer size.
-
Interlaced mode (bInterleaved)
Whether the interleaving mode is enabled determines the data arrangement of each physical channel in the channel group. Take for example when the sound mode is 4CH, the following is described with Sx instead of the xth sample. When the interleaving mode is enabled, the data of the 4 physical channels are interleaved, such as Chn0S0 Chn1S0 Chn2S0 Chn3S0 Chn0S1 Chn1S1 Chn2S1 Chn3S1……;
When the interleaving mode is disabled, the data of the 4 physical channels are arranged in the order of the channels. As follows:
Chn0S0 Chn0S1 Chn0S2 Chn0S3 …… Chn0Sn
Chn1S0 Chn1S1 Chn1S2 Chn1S3 …… Chn1Sn
Chn2S0 Chn2S1 Chn2S2 Chn2S3 …… Chn2Sn
Chn3S0 Chn3S1 Chn3S2 Chn3S3 …… Chn3Sn
-
-
Example
The simple example is as follow:
1. MI_AI_Attr_t stAiSetAttr = {0}; 2. MI_AUDIO_DEV AiDevId = 0; 3. stAiSetAttr.enFormat = E_MI_AUDIO_FORMAT_PCM_S16_LE; 4. stAiSetAttr.enSoundMode = E_MI_AUDIO_SOUND_MODE_MONO; 5. stAiSetAttr.enSampleRate = E_MI_AUDIO_SAMPLE_RATE_8000; 6. stAiSetAttr.u32PeriodSize = 1024; 7. stAiSetAttr.bInterleaved = TRUE; 8. ExecFunc(MI_AI_Open(AiDevId, &stAiSetAttr), MI_SUCCESS);The detailed example is as follows:
1. MI_AI_Attr_t stAiSetAttr = {0}; 2. MI_AI_Attr_t stAiGetAttr = {0}; 3. MI_AUDIO_DEV AiDevId = 0; 4. MI_AI_If_e enAiIf[] = {E_MI_AI_IF_ADC_AB}; 5. MI_AI_Data_t stAiChFrame; 6. MI_AI_Data_t stAecFrame; 7. MI_U8 u8ChnGrpId = 0; 8. MI_SYS_ChnPort_t stAiChnOutputPort; 9. MI_S16 s16DpgaGain[] = {-10}; 10. 11. // Set the Format of AI Device to S16_LE 12. stAiSetAttr.enFormat = E_MI_AUDIO_FORMAT_PCM_S16_LE; 13. 14. // Set the Sound Mode to Mono, one Channel Group corresponds to one physical channel 15. stAiSetAttr.enSoundMode = E_MI_AUDIO_SOUND_MODE_MONO; 16. 17. // Set the sample rate of AI Device to 8KHz 18. stAiSetAttr.enSampleRate = E_MI_AUDIO_SAMPLE_RATE_8000; 19. 20. // Set each AI Buffer to contain 1024 sampling samples 21. stAiSetAttr.u32PeriodSize = 1024; 22. 23. // Set the data arrangement form of AI buffer 24. stAiSetAttr.bInterleaved = TRUE; 25. 26. // Open AI Device 27. ExecFunc(MI_AI_Open(AiDevId, &stAiSetAttr), MI_SUCCESS); 28. 29. // Get device attributes 30. ExecFunc(MI_AI_GetAttr(AiDevId, &stAiGetAttr), MI_SUCCESS); 31. 32. // Attach ADC0/1 to WDMA1 33. ExecFunc(MI_AI_AttachIf(AiDevId, enAiIf, sizeof(enAiIf) / sizeof(enAiIf[0])), MI_SUCCESS); 34. 35. // Set output depth 36. memset(&stAiChnOutputPort, 0, sizeof(stAiChnOutputPort)); 37. stAiChnOutputPort.eModId = E_MI_MODULE_ID_AI; 38. stAiChnOutputPort.u32DevId = AiDevId; 39. stAiChnOutputPort.u32ChnId = u8ChnGrpId; 40. stAiChnOutputPort.u32PortId = 0; 41. ExecFunc(MI_SYS_SetChnOutputPortDepth(0, &stAiChnOutputPort, 4, 8), MI_SUCCESS); 42. 43. // Set Interface gain of ADC0/1 44. ExecFunc(MI_AI_SetIfGain(E_MI_AI_IF_ADC_AB, 18, 0), MI_SUCCESS); 45. 46. // Set DPGA gain of ADC0/1 47. ExecFunc(MI_AI_SetGain(AiDevId, u8ChnGrpId, s16DpgaGain, sizeof(s16DpgaGain) / sizeof(s16DpgaGain[0])), MI_SUCCESS); 48. 49. 50. // Enable Channel Group 51. ExecFunc(MI_AI_EnableChnGroup(AiDevId, u8ChnGrpId), MI_SUCCESS); 52. 53. // Get audio frame data 54. MI_AI_Read(AiDevId, u8ChnGrpId, &stAiChFrame, &stAecFrame, -1); 55. 56. // do something 57. 58. // Release audio frame data 59. MI_AI_ReleaseData(AiDevId, u8ChnGrpId, &stAiChFrame, &stAecFrame); 60. 61. // Disable Channel Group 62. ExecFunc(MI_AI_DisableChnGroup(AiDevId, u8ChnGrpId), MI_SUCCESS); 63. 64. // Close AI Device 65. ExecFunc(MI_AI_Close(MI_AI_DEV_1), MI_SUCCESS);
2.2. MI_AI_OpenWithCfgFile¶
-
Features
Enable the audio input device and initialize it according to the config file.
-
Syntax
MI_S32 MI_AI_OpenWithCfgFile(MI_AUDIO_DEV AiDevId, const char *pCfgPath);
-
Parameters
Parameter Name Description Input/Output AiDevId AI device number Input pCfgPath Path of config file Input -
Return value
-
Zero: Successful
-
Non-zero: Failed, see error code for details
-
-
Dependency
-
Header: mi_ai.h
-
Library: libmi_ai.a/libmi_ai.so
-
-
Note
-
This interface is equivalent to the combination of MI_AI_Open and MI_AI_AttachIf.
-
If the audio input device is enabled, it returns success.
-
On Muffin/Mochi series SOC, the configuration file is in INI format. On Maruko/Souffle/Pcupid series SOC, the configuration file is in JSON format.
-
In the dual os environment, the configuration file must provide an absolute path.
-
The INI config file template is as follow:
1. ; Device attr section 2. [DEV] 3. ; enFormat determines the data format of the sample, only supports S16_LE now. 4. ; 0[S16_lE] 5. enFormat = 0 6. ; enSoundMode determines the channel count of Channel Group. 7. ; 1[Mono] 2[Stereo] 4[4Chn] 6[6Chn] 8[8Chn] 8. enSoundMode = 2 9. ; enSampleRate determines the sample rate of AI Device. 10. ; 8000[8KHz] 16000[16KHz] 32000[32KHz] 48000[48KHz] 11. enSampleRate = 8000 12. ; u32PeriodSize determines the count of sample in a AI Buffer 13. u32PeriodSize = 1024 14. ; bInterleaved determines the data arrangement mode of each channel. 15. ; if bInterleaved = 1, Data on each channel is interleaved, Otherwise, data on each channel is stored separately. 16. bInterleaved = 0 17. ; attach interface 18. ; 1[ADC_AB] 2[ADC_CD] 3[DMIC_A_01] 4[DMIC_A_23] 19. ; 5[I2S_A_01] 6[I2S_A_23] 7[I2S_A_45] 8[I2S_A_67] 9[I2S_A_89] 10[I2S_A_ab] 11[I2S_A_cd] 12[I2S_A_ef] 20. ; 13[I2S_B_01] 14[I2S_B_23] 15[I2S_B_45] 16[I2S_B_67] 17[I2S_B_89] 18[I2S_B_ab] 19[I2S_B_cd] 20[I2S_B_ef] 21. ; 21[I2S_C_01] 22[I2S_C_23] 23[I2S_C_45] 24[I2S_C_67] 25[I2S_C_89] 26[I2S_C_ab] 27[I2S_C_cd] 28[I2S_C_ef] 22. ; 29[I2S_D_01] 30[I2S_D_23] 31[I2S_D_45] 32[I2S_D_67] 33[I2S_D_89] 34[I2S_D_ab] 35[I2S_D_cd] 36[I2S_D_ef] 23. ; 37[ECHO_A] 38[HDMI_A] 24. aenAiIfs={1,5} 25. 26. ; I2S RX attr section 27. ; It is not necessarywhen you're not using I2S RX 28. [I2S_A] 29. ; enMode determines the working mode of I2S Rx 30. ; 0[I2S Master] 1[I2S Slave] 2[Tdm Master] 3[Tdm Slave] 31. enMode = 0 32. ; enBitWidth determines the bit with of I2S Rx 33. ; 0[16 bit] 1[32bit] 34. enBitWidth = 0 35. ; enFormat determines the waveform alignment of I2S Rx 36. ; 0[I2S Philips] 1[I2S Left-justify] 37. enFormat = 0 38. ; enSampleRate determines the sample rate of I2S Rx 39. ; 8000[8KHz] 16000[16KHz] 32000[32KHz] 48000[48KHz] 40. enSampleRate = 8000 41. ; enMclk determines the frequency of Mclk 42. ; 0[disable Mclk] 1[12.288M] 2[16.384M] 3[18.432M] 4[24.576M] 5[24M] 6[48M] 43. enMclk = 0 44. ; bSyncClock: 1[4-wire mode] 0[6-wire mode] 45. bSyncClock = 0 46. ; u32TdmSlots determines the slot number of I2S Rx 47. u32TdmSlots = 2 -
The JSON config file template is as follows:
1. { 2. "DEV":{ 3. "enFormat":0, 4. "enSoundMode":2, 5. "enSampleRate":8000, 6. "u32PeriodSize":1024, 7. "bInterleaved":0, 8. "aenAiIfs":[1,5] 9. }, 10. "I2S_A":{ 11. "enMode":0, 12. "enBitWidth":0, 13. "enFormat":0, 14. "enSampleRate":8000, 15. "enMclk":0, 16. "bSyncClock":0, 17. "u32TdmSlots":2 18. } 19. } 20.The “DEV” node contains parameters required by MI_AI_Open and MI_AI_AttachIf. “enFormat”, “enSoundMode”, “enSampleRate”, “u32PeriodSize”, and “bInterleaved” are the configuration information required by MI_AI_Open, please refer to the description of MI_AI_AttachIf. “aenAiIfs” is the configuration information required by MI_AI_AttachIf, please refer to MI_AI_If_e for details. The “I2S_A” node contains configuration information required by MI_AI_SetI2SConfig, please refer to MI_AUDIO_I2sConfig_t for details.
The value of the config item is consistent with the parameters given to the MI API. enFormat = 0 means AI Device uses S16_LE format, enSoundMode = 1 means Sound Mode uses Mono, enSampleRate = 8000 means AI Device uses 8KHz sample rate, u32PeriodSize = 1024 means one AI Buffer contains 1024 sample points, bInterleaved = 1 means that the channel group data arrangement is arranged in an interlaced manner, and aenAiIfs={1} means that ADC0/1 is attached to WDMA. If you need to use I2S RX, you also need to set the parameters of I2S RX. The above configuration works on I2S_A, enMode = 0 means using I2S Master mode, enBitWidth = 0 means I2S receiving bit width is 16bit, enFormat = 0 means aligning according to I2S Philips mode, enSampleRate = 8000 means that the sample rate of I2S RX is 8KHz, enMclk = 0 means that Mclk is not used, bSyncClock = 1 means 4-wire mode, and u32TdmSlots means receiving 2-channel data.
-
-
Example
1. char *path = "/tmp/Dev0Cfg.json"; // char *path = "/tmp/Dev0Cfg.ini"; 2. ExecFunc(MI_AI_OpenWithCfgFile(AiDevId, path), MI_SUCCESS);
2.3. MI_AI_Close¶
-
Features
Close AI devices.
-
Syntax
MI_S32 MI_AI_Close(MI_AUDIO_DEV AiDevId);
-
Parameters
Parameter Name Description Input/Output AiDevId AI device number Input -
Return value
-
Zero: Successful
-
Non-zero: Failed, see error code for details
-
-
Dependency
-
Header: mi_ai.h
-
Library: libmi_ai.a/libmi_ai.so
-
-
Note
- If the AI device is already closed, it will return Success directly.
-
Example
The simple example is as follows:
1. ExecFunc(MI_AI_Close(MI_AI_DEV_1), MI_SUCCESS);
Please refer to MI_AI_Open for the detailed example.
2.4. MI_AI_AttachIf¶
-
Features
Mount peripherals to AI device.
-
Syntax
MI_S32 MI_AI_AttachIf(MI_AUDIO_DEV AiDevId, const MI_AI_If_e aenAiIfs[], MI_U8 u8AiIfSize);
-
Parameters
Parameter Name Description Input/Output AiDevId AI device number Input aenAiIfs AI Interface array, peripheral information that needs to be mounted to the AI device; An element of the array represents the peripherals mounted on two adjacent physical channels Input U8AiIfSize Size of the interface array, the maximum is (MI_AI_MAX_CHN_NUM/2) Input -
Return value
-
Zero: Successful
-
Non-zero: Failed, see error code for details
-
-
Dependency
-
Header: mi_ai.h
-
Library: libmi_ai.a/libmi_ai.so
-
-
Note
-
This interface can only be called after MI_AI_Open succeeds.
-
If you need to mount the I2S RX to the AI device, please call MI_AI_SetI2SConfig first to initialize the I2S RX.
-
If you want to get echo reference data, the AI module needs to attach E_MI_AI_IF_ECHO_A, and the AO module needs to attach E_MI_AO_IF_ECHO_A. In the AI module, E_MI_AI_IF_ECHO_A must be attached with an interface other than E_MI_AI_IF_ECHO_A, and must be placed after the interface other than E_MI_AI_IF_ECHO_A.
-
When the number of attached interface channels(minus the number of channels of E_MI_AI_IF_ECHO_A) is less than or not divisible by the audio sound mode(MI_AUDIO_SoundMode_e), an error is returned.
-
-
Example
The simple example is as follow:
1. MI_AI_If_e enAiIf[] = {E_MI_AI_IF_ADC_AB, E_MI_AI_IF_ADC_CD}; 2. ExecFunc(MI_AI_AttachIf(AiDevId, enAiIf, sizeof(enAiIf) / sizeof(enAiIf[0])), MI_SUCCESS);Please refer to MI_AI_Open for the detailed example.
2.5. MI_AI_EnableChnGroup¶
-
Features
Enable AI channel group.
-
Syntax
MI_S32 MI_AI_EnableChnGroup(MI_AUDIO_DEV AiDevId, MI_U8 u8ChnGrpIdx);
-
Parameters
Parameter Name Description Input/Output AiDevId AI device number Input AiChn AI channel group number. Total audio input channels group = (the physical channels of the AI device attached to the peripheral – the physical channels occupied by the echo) / the sound mode of the AI device AI channel group number range: [0, total audio input channel group-1] Input -
Return value
-
Zero: Successful
-
Non-zero: Failed, see error code for details
-
-
Dependency
-
Header: mi_ai.h
-
Library: libmi_ai.a/libmi_ai.so
-
-
Note
-
This interface can only be called after MI_AI_Open and MI_AI_AttachIf succeed.
-
If the AI channel group has been enabled, it will return success directly.
-
The operation of the AI channel group does not support multiple processes. If a process is enabled, it can only be used and disabled here.
-
-
Example
The simple example is as follow:
1. ExecFunc(MI_AI_EnableChnGroup(AiDevId, 0), MI_SUCCESS);
Please refer to MI_AI_Open for the detailed example.
2.6. MI_AI_DisableChnGroup¶
-
Features
Disable AI channel group.
-
Syntax
MI_S32 MI_AI_DisableChnGroup(MI_AUDIO_DEV AiDevId, MI_U8 u8ChnGrpIdx);
-
Parameters
Parameter Name Description Input/Output AiDevId AI device number Input u8ChnGrpIdx AI channel group number. Range: [0, Channel Group Number-1] Channel Group Number = (the number of physical channels on attach-the number of Echo channels on attach) / Sound Mode Input -
Return value
-
Zero: Successful
-
Non-zero: Failed, see error code for details
-
-
Dependency
-
Header: mi_ai.h
-
Library: libmi_ai.a/libmi_ai.so
-
-
Note
-
If the AI channel group has been disabled, it will return success directly.
-
The operation of the AI channel group does not support multiple processes. If a process is enabled, it can only be used and disabled here.
-
-
Example
The simple example is as follow:
1. ExecFunc(MI_AI_DisableChnGroup(AiDevId, 0), MI_SUCCESS);
Please refer to MI_AI_Open for the detailed example.
2.7. MI_AI_Read¶
-
Features
Read audio data.
-
Syntax
MI_S32 MI_AI_Read(MI_AUDIO_DEV AiDevId, MI_U8 u8ChnGrpIdx, MI_AI_Data_t *pstData, MI_AI_Data_e *pstEchoRefData, MI_S32 s32TimeoutMs);
-
Parameters
Parameter Name Description Input/Output AiDevId AI device number Input u8ChnGrpIdx AI channel group number. Range: [0, Channel Group Number-1] Channel Group Number = (the number of physical channels on attach-the number of Echo channels on attach) / Sound Mode Input pstData Audio data structure pointer Output pstEchoRefData Echo reference data structure pointer Output s32TimeoutMs Timeout for getting data: -1: blocking mode, waiting for no data; 0 means non-blocking mode, when there is no data, it will return an error; >0: blocking s32TimeoutMs milliseconds, and it will report an error and return when it times out. Input -
Return value
-
Zero: Successful
-
Non-zero: Failed, see error code for details
-
-
Dependency
-
Header: mi_ai.h
-
Library: libmi_ai.a/libmi_ai.so
-
-
Note
-
This interface can only be called after MI_AI_Open / MI_AI_AttachIf / MI_AI_EnableChnGroup succeed.
-
To obtain the echo reference data, AO must attach 'E_MI_AO_IF_ECHO_A' and AI must attach 'E_MI_AI_IF_ECHO_A', Otherwise, the echo reference data is invalid. The number of physical channels through which the App can get ECHO data is only 2 channels. When the AI is configured in Interleaved Mode, each channel group corresponds to the echo reference data of 1 stereo(total of 2 channels) regardless of the current Sound Mode. The echo reference data obtained by each channel group is exactly the same. When the AI is configured in Non-Interleaved Mode, no matter what sound mode is configured, each channel group corresponds to the echo reference data of two MONO (total of 2 channels), and the echo reference data obtained by each channel group is the same data.
-
If you need to obtain an echo reference data, pstEchoRefData cannot be a null pointer. If you do not want to get the echo reference data pstEchoRefData, you can set it to a null pointer.
-
s32TimeoutMs value must be greater than equal to -1, -1 is equal to the data acquired using the blocking mode, the data acquired is equal to non-blocking mode 0, is greater than 0, the blocking s32TimeoutMs milliseconds, and no data timeout then return error.
-
This interface supports select operations. It is recommended to use the select/poll operation instead of timeout parameter.
-
-
Example
The simple example is as follow:
1. MI_AI_Data_t stAiChFrame; 2. MI_AI_Data_t stAecFrame; 3. MI_AI_Read(AiDevId, AiChnGroup, &stAiChFrame, &stAecFrame, -1);
Please refer to MI_AI_Open for the detailed example.
2.8. MI_AI_ReleaseData¶
-
Features
Release audio data.
-
Syntax
MI_S32 MI_AI_ReleaseData(MI_AUDIO_DEV AiDevId, MI_U8 u8ChnGrpIdx, MI_AI_Data_t *pstData, MI_AI_Data_t *pstEchoRefData);
-
Parameters
Parameter Name Description Input/Output AiDevId AI device number Input u8ChnGrpIdx AI channel group number. Range: [0, Channel Group Number-1] Channel Group Number = (the number of physical channels on attach-the number of Echo channels on attach) / Sound Mode Input pstData Audio data structure pointer Input pstEchoRefData Echo reference data structure pointer Input -
Return value
-
Zero: Successful
-
Non-zero: Failed, see error code for details
-
-
Dependency
-
Header: mi_ai.h
-
Library: libmi_ai.a/libmi_ai.so
-
-
Example
The simple example is as follow:
1. MI_AI_ReleaseData(AiDevId, AiChnGroup, &stAiChFrame, &stAecFrame);
Please refer to MI_AI_Open for the detailed example.
2.9. MI_AI_SetGain¶
-
Features
Set the volume of the AI channel group.
-
Syntax
MI_S32 MI_AI_SetGain(MI_AUDIO_DEV AiDevId, MI_U8 u8ChnGrpIdx, const MI_S16 as16Gains[], MI_U8 u8GainSize);
-
Parameters
Parameter Name Description Input/Output AiDevId AI device number Input u8ChnGrpIdx AI channel group number. Range: [0, Channel Group Number-1] Channel Group Number = (the number of physical channels on attach-the number of Echo channels on attach) / Sound Mode Input as16Gains Volume array An element of the array represents the volume of a physical channel Input u8GainSize Sze of the volume array, the maximum is the physical channel corresponding to Sound Mode Input -
Return value
-
Zero: Successful
-
Non-zero: Failed, see error code for details
-
-
Dependency
-
Header: mi_ai.h
-
Library: libmi_ai.a/libmi_ai.so
-
-
Note
-
In version 3.55 and later, the data type of all volume Gain values was changed from S8 to S16, as in the old function prototype: MI_S32 MI_AI_SetGain(MI_AUDIO_DEV AiDevId, MI_U8 u8ChnGrpIdx, const MI_S8 as8Gains[], MI_U8 u8GainSize); Same as above for other API related to volume Gain.
-
To set the volume of the AI channel group, you must first enable the AI device and mount the peripheral.
-
Only the channels corresponding to E_MI_AI_IF_ADC_AB support this setting for Muffin series chips.
-
Souffle/Pcupid series chip E_MI_AI_IF_ADC_AB/E_MI_AI_IF_ADC_CD/E_MI_AI_IF_DMIC_A_01 /... /E_MI_AI_IF_DMIC_A_45/ E_MI_AI_IF_I2S_A_01/... /E_MI_AI_IF_I2S_A_ef supports this setting.
-
The Gain value of Souffle/Pcupid series chips is different from that of other series chips. The Gain value is not the corresponding Db value, but a mapping relationship with the range [-508, 512] corresponding to [-63.5Db, 64Db], where 0 corresponds to 0Db and 0.125dB/step.
-
Except for the Souffle/Pcupid series chips, as16Gains is set in the range of [-60Db, 30Db], 1dB/step.
-
-
Example
The simple example is as follow:
1. MI_S16 s16DpgaGain[] = {-10}; 2. ExecFunc(MI_AI_SetGain(AiDevId, u8ChnGroupIdx, s16DpgaGain, sizeof(s16DpgaGain) / sizeof(s16DpgaGain[0])), MI_SUCCESS);Please refer to MI_AI_Open for the detailed example.
2.10. MI_AI_GetGain¶
-
Features
Get the volume of the AI channel group.
-
Syntax
MI_S32 MI_AI_GetGain(MI_AUDIO_DEV AiDevId, MI_U8 u8ChnGrpIdx, MI_S16 as16Gains[], MI_U8 *pu8GainSize);
-
Parameters
Parameter Name Description Input/Output AiDevId AI device number Input u8ChnGrpIdx AI channel group number. Range: [0, Channel Group Number-1] Channel Group Number = (the number of physical channels on attach-the number of Echo channels on attach) / Sound Mode Input as16Gains Volume array An element of the array represents the volume of a physical channel Range: [-60, 30] Output pu8GainSize Sze of the volume array, the maximum is the physical channel corresponding to Sound Mode Output -
Return value
-
Zero: Successful
-
Non-zero: Failed, see error code for details
-
-
Dependency
-
Header: mi_ai.h
-
Library: libmi_ai.a/libmi_ai,so
-
-
Note
-
To get the volume of the AI channel group, you must first enable the AI device and mount the peripheral.
-
Only the channels corresponding to E_MI_AI_IF_ADC_AB support this setting for Muffin series chips.
-
All input interfaces of Souffle series chips are supported, the same as MI_AI_SetGain.
-
-
Example
The simple example is as follow:
1. MI_S16 s16DpgaGain[MI_AI_MAX_CHN_NUM]; 2. MI_U8 u8Size; 3. memset(&s16DpgaGain, 0x0, sizeof(s16DpgaGain)); 4. ExecFunc(MI_AI_GetGain(AiDevId, u8ChnGroupIdx, s16DpgaGain, &u8Size), MI_SUCCESS);
Please refer to MI_AI_Open for the detailed example.
2.11. MI_AI_SetMute¶
-
Features
Set the mute parameters of the AI channel group.
-
Syntax
MI_S32 MI_AI_SetMute(MI_AUDIO_DEV AiDevId, MI_U8 u8ChnGrpIdx, const MI_BOOL abMutes[], MI_U8 u8MuteSize);
-
Parameters
Parameter Name Description Input/Output AiDevId Audio device ID Input u8ChnGrpIdx AI channel group number. Range: [0, Channel Group Number-1] Channel Group Number = (the number of physical channels on attach-the number of Echo channels on attach) / Sound Mode Input abMutes Mute parameter array An element of the mute parameter array represents the mute parameter of a physical channel Input u8MuteSize Sze of the mute parameter array, the maximum is the physical channel corresponding to Sound Mode Input -
Return value
-
Zero: Successful
-
Non-zero: Failed, see error code for details
-
-
Dependency
-
Header: mi_ai.h
-
Library: libmi_ai.a/libmi_ai.so
-
-
Note
- To set the mute parameters of the AI channel group, you must first enable the AI device and mount the peripheral.
-
Example
1. MI_BOOL bDpgaMute[] = {TRUE, FALSE}; 2. ExecFunc(MI_AI_SetMute(AiDevId, u8ChnGroupIdx, bDpgaMute, sizeof(bDpgaMute) / sizeof(bDpgaMute[0])), MI_SUCCESS);
2.12. MI_AI_GetMute¶
-
Features
Get the mute parameters of the AI channel group.
-
Syntax
MI_S32 MI_AI_GetMute(MI_AUDIO_DEV AiDevId, MI_U8 u8ChnGrpIdx, MI_BOOL abMutes[], MI_U8 *pu8MuteSize);
-
Parameters
Parameter Name Description Input/Output AiDevId AI device number Input u8ChnGrpIdx AI channel group number. Range: [0, Channel Group Number-1] Channel Group Number = (the number of physical channels on attach-the number of Echo channels on attach) / Sound Mode Input abMutes Mute parameter array An element of the mute parameter array represents the mute parameter of a physical channel Input pu8MuteSize Size of the mute parameter array, the maximum is the physical channel corresponding to Sound Mode Output -
Return value
-
Zero: Successful
-
Non-zero: Failed, see error code for details
-
-
Dependency
-
Header: mi_ai.h
-
Library: libmi_ai.a/libmi_ai.so
-
-
Note
- To get the mute parameters of the AI channel group, you must first enable the AI device and mount the peripheral.
-
Example
1. MI_BOOL bDpgaMute[MI_AI_MAX_CHN_NUM]; 2. MI_U8 u8Size; 3. memset(&bDpgaMute, 0x0, sizeof(bDpgaMute)); 4. ExecFunc(MI_AI_GetMute(AiDevId, u8ChnGroupIdx, s16DpgaGain, &u8Size), MI_SUCCESS);
2.13. MI_AI_SetIfGain¶
-
Features
Set AI peripheral volume.
-
Syntax
MI_S32 MI_AI_SetIfGain(MI_AI_If_e enAiIf, MI_S16 s16LeftIfGain, MI_S16 s16RightIfGain);
-
Parameter
Parameter Name Description Input/Output enAiIf AI peripherals Input s16LeftIfGain Left channel volume Input s16RightIfGain Right channel volume Input -
Return value
-
Zero: Successful
-
Non-zero: Failed, see error code for details
-
-
Dependency
-
Header: mi_ai.h
-
Library: libmi_ai.a/libmi_ai.so
-
-
Note
-
Only E_MI_AI_IF_ADC_AB/E_MI_AI_IF_ADC_CD/E_MI_AI_IF_DMIC_A_01/E_MI_AI_IF_DMIC_A_23/ E_MI_AI_IF_DMIC_A_45/E_MI_AI_IF_DMIC_A_67 supports this setting.
-
The volume range supported by E_MI_AI_IF_ADC_AB/E_MI_AI_IF_ADC_CD: Muffin/Mochi/Souffle/Pcupid[0, 19], corresponding to 0~57Db, 3dB/step; Maruko[0, 21], corresponding to -6~57Db, 3dB/step.
-
The volume range supported by E_MI_AI_IF_DMIC_A_01/E_MI_AI_IF_DMIC_A_23/ E_MI_AI_IF_DMIC_A_45/E_MI_AI_IF_DMIC_A_67 is [0,6], corresponding to 0~36dB, 6dB/step.
-
-
Example
The simple example is as follow:
1. ExecFunc(MI_AI_SetIfGain(E_MI_AI_IF_ADC_AB, 18, 18), MI_SUCCESS); 2. ExecFunc(MI_AI_SetIfGain(E_MI_AI_IF_ADC_CD, 18, 18), MI_SUCCESS); 3. ExecFunc(MI_AI_SetIfGain(E_MI_AI_IF_DMIC_A_01, 4, 4), MI_SUCCESS); 4. ExecFunc(MI_AI_SetIfGain(E_MI_AI_IF_DMIC_A_23, 4, 4), MI_SUCCESS);
Please refer to MI_AI_Open for the detailed example.
2.14. MI_AI_GetIfGain¶
-
Features
Get AI peripheral volume.
-
Syntax
MI_S32 MI_AI_GetIfGain(MI_AI_If_e enAiIf, MI_S16 *ps16LeftIfGain, MI_S16 *ps16RightIfGain);
-
Parameters
Parameter Name Description Input/Output enAiIf AI peripherals Input ps16LeftIfGain Left channel volume pointer Output ps16RightIfGain Right channel volume pointer Output -
Return value
-
Zero: Successful
-
Non-zero: Failed, see error code for details
-
-
Dependency
-
Header: mi_ai.h
-
Library: libmi_ai.a/libmi_ai.so
-
-
Note
- Only E_MI_AI_IF_ADC_AB/E_MI_AI_IF_ADC_CD/E_MI_AI_IF_DMIC_A_01/E_MI_AI_IF_DMIC_A_23/ E_MI_AI_IF_DMIC_A_45/E_MI_AI_IF_DMIC_A_67 supports this setting.
-
Example
1. MI_S16 s16IfLeftGain, s16IfRightGain; 2. ExecFunc(MI_AI_GetIfGain(E_MI_AI_IF_ADC_AB, &s16IfLeftGain, &s16IfRightGain), MI_SUCCESS); 3. ExecFunc(MI_AI_GetIfGain(E_MI_AI_IF_ADC_CD, &s16IfLeftGain, &s16IfRightGain), MI_SUCCESS); 4. ExecFunc(MI_AI_GetIfGain(E_MI_AI_IF_DMIC_A_01, &s16IfLeftGain, &s16IfRightGain), MI_SUCCESS); 5. ExecFunc(MI_AI_GetIfGain(E_MI_AI_IF_DMIC_A_23, &s16IfLeftGain, &s16IfRightGain), MI_SUCCESS);
2.15. MI_AI_SetIfMute¶
-
Features
Set AI peripheral mute parameters.
-
Syntax
MI_S32 MI_AI_SetIfMute(MI_AI_If_e enAiIf, MI_BOOL bLeftMute, MI_BOOL bRightMute);
-
Parameters
Parameter Name Description Input/Output enAiIf AI peripherals Input bLeftMute Left channel mute parameter Input bRightMute Right channel mute parameter Input -
Return value
-
Zero: Successful
-
Non-zero: Failed, see error code for details
-
-
Dependency
-
Header: mi_ai.h
-
Library: libmi_ai.a/libmi_ai.so
-
-
Note
- No input peripheral supports this setting.
-
Example
1. ExecFunc(MI_AI_SetIfMute(E_MI_AI_IF_ADC_AB, TRUE, FALSE), MI_SUCCESS); 2. ExecFunc(MI_AI_SetIfMute(E_MI_AI_IF_ADC_CD, TRUE, FALSE), MI_SUCCESS); 3. ExecFunc(MI_AI_SetIfMute(E_MI_AI_IF_DMIC_A_01, TRUE, FALSE), MI_SUCCESS); 4. ExecFunc(MI_AI_SetIfMute(E_MI_AI_IF_DMIC_A_23, TRUE, FALSE), MI_SUCCESS);
2.16. MI_AI_GetIfMute¶
-
Features
Get AI peripheral mute parameters.
-
Syntax
MI_S32 MI_AI_GetIfMute(MI_AI_If_e enAiIf, MI_BOOL *pbLeftMute, MI_BOOL *pbRightMute);
-
Parameters
Parameter Name Description Input/Output enAiIf AI peripherals Input pbLeftMute Left channel mute parameter pointer Output pbRightMute Right channel mute parameter pointer Output -
Return value
-
Zero: Successful
-
Non-zero: Failed, see error code for details
-
-
Dependency
-
Header: mi_ai.h
-
Library: libmi_ai.a/libmi_ai.so
-
-
Example
1. MI_BOOL bIfLeftMute, bIfRightMute; 2. ExecFunc(MI_AI_GetIfMute(E_MI_AI_IF_ADC_AB, &bIfLeftMute, &bIfRightMute), MI_SUCCESS); 3. ExecFunc(MI_AI_GetIfMute(E_MI_AI_IF_ADC_CD, &bIfLeftMute, &bIfRightMute), MI_SUCCESS); 4. ExecFunc(MI_AI_GetIfMute(E_MI_AI_IF_DMIC_A_01, &bIfLeftMute, &bIfRightMute), MI_SUCCESS); 5. ExecFunc(MI_AI_GetIfMute(E_MI_AI_IF_DMIC_A_23, &bIfLeftMute, &bIfRightMute), MI_SUCCESS);
2.17. MI_AI_SetI2SConfig¶
-
Features
Set I2S RX config info.
-
Syntax
MI_S32 MI_AI_SetI2SConfig(MI_AI_If_e enAiI2SIf, const MI_AUDIO_I2sConfig_t *pstConfig);
-
Parameters
Parameter Name Description Input/Output enAiI2Sif Audio I2S RX input peripheral Input pstConfig Audio I2S RX config information Input -
Return value
-
Zero: Successful
-
Non-zero: Failed, see error code for details
-
-
Dependency
-
Header: mi_ai.h
-
Library: libmi_ai.a/libmi_ai.so
-
-
Note
-
A group of I2S RX only needs to be configured once. For example, after using E_MI_AI_IF_I2S_A_01, I2S_A has been initialized, and then using other interfaces belonging to I2S_A, there is no need to configure I2S_A, unless the configuration parameters of I2S_A are changed.
-
The enSampleRate in MI_AUDIO_I2sConfig_t must be the same as the enSampleRate in MI_AI_Attr_t, otherwise attach will report an error.
-
-
Example
1. MI_AUDIO_I2sConfig_t stAiI2sACfg; 2. memset(&stAiI2sACfg, 0x0, sizeof(stAiI2sACfg)); 3. stAiI2sACfg.enMode = E_MI_AUDIO_I2S_MODE_I2S_MASTER; 4. stAiI2sACfg.enFormat = E_MI_AUDIO_I2S_FMT_I2S_MSB; 5. stAiI2sACfg.enSampleRate = E_MI_AUDIO_SAMPLE_RATE_8000; 6. stAiI2sACfg.enMclk = E_MI_AUDIO_I2S_MCLK_0; 7. stAiI2sACfg.bSyncClock = TRUE; 8. stAiI2sACfg.u32TdmSlots = 2; 9. stAiI2sACfg.enBitWidth = E_MI_AUDIO_BIT_WIDTH_16; 10. ExecFunc(MI_AI_SetI2SConfig(E_MI_AI_IF_I2S_A_01, &stAiI2sACfg), MI_SUCCESS);
2.18. MI_AI_GetI2SConfig¶
-
Features
Get I2S RX config info.
-
Syntax
MI_S32 MI_AI_GetI2SConfig(MI_AI_If_e enAiI2SIf, MI_AUDIO_I2sConfig_t *pstConfig);
-
Parameters
Parameter Name Description Input/Output enAiI2Sif Audio I2S RX input peripheral Input pstConfig Audio I2S RX config information Output -
Return value
-
Zero: Successful
-
Non-zero: Failed, see error code for details
-
-
Dependency
-
Header: mi_ai.h
-
Library: libmi_ai.a/libmi_ai.so
-
-
Example
1. MI_AUDIO_I2sConfig_t stAiI2sACfg; 2. memset(&stAiI2sACfg, 0x0, sizeof(stAiI2sACfg)); 3. ExecFunc(MI_AI_GetI2SConfig(E_MI_AI_IF_I2S_A_01, &stAiI2sACfg), MI_SUCCESS);
2.19. MI_AI_DupChnGroup¶
-
Features
Sync status of AI channel group.
-
Syntax
MI_S32 MI_AI_DupChnGroup(MI_AUDIO_DEV AiDevId, MI_U8 u8ChnGrpIdx)
-
Parameters
Parameter Name Description Input/Output AiDevId AI device number Input u8ChnGrpIdx AI channel group number. Range: [0, Channel Group Number-1] Channel Group Number = (the number of physical channels on attach-the number of Echo channels on attach) / Sound Mode Input -
Return value
-
Zero: Successful
-
Non-zero: Failed, see error code for details
-
-
Dependency
-
Header: mi_ai.h
-
Library: libmi_ai.a/libmi_ai.so
-
-
Note
- This is only used for dual os. It is used to synchronize the state of the AI channel group when the initialized AI channel group under RTOS is switched to Linux.
2.20. MI_AI_InitDev¶
-
Features
Initialize the AI device.
-
Syntax
MI_S32 MI_AI_InitDev(MI_AI_InitParam_t *pstInitParam);
-
Parameters
Parameter Name Description Input/Output pstInitParam Device initialization parameters Input -
Return value
-
Zero: Successful
-
Non-zero: Failed, see error code for details
-
-
Dependency
-
Header: mi_ai.h
-
Library: libmi_ai.a/libmi_ai.so
-
-
Note
-
It must be used in pairs with MI_AI_DeInitDev, and cannot be called repeatedly, otherwise it returns to fail.
-
Only used to reinitialize the AI module after the STR state is enabled.
-
2.21. MI_AI_DeInitDev¶
-
Features
De-Initialize the AI device.
-
Syntax
MI_S32 MI_AI_DeInitDev(void);
-
Return value
-
Zero: Successful
-
Non-zero: Failed, see error code for details
-
-
Dependency
-
Header: mi_ai.h
-
Library: libmi_ai.a/libmi_ai.so
-
-
Note
-
This function must be called after the device is initialized, otherwise, it returns to fail.
-
If it is not called before the app exits, the device will be automatically deinitialized internally
-
It must be used in pairs with MI_AI_InitDev , and cannot be called repeatedly, otherwise it returns to fail.
-
2.22. MI_AI_GetAttr¶
-
Features
Get audio input device attributes.
-
Syntax
MI_S32 MI_AI_GetAttr(MI_AUDIO_DEV AiDevId, MI_AI_Attr_t *pstAttr);
-
Parameters
Parameter Name Description Input/Output AiDevId Audio input device ID Input pstAttr Audio input device attributes Output -
Return value
-
Zero: Successful
-
Non-zero: Failed, see error code for details
-
-
Dependency
-
Header: mi_ai.h
-
Library: libmi_ai.so/libmi_ai.a
-
-
Note
- This function must be called after opening the device successfully, otherwise it will return failed.
3. AI Data type¶
The AI module related data types are defined as follows:
| Data type | Definition |
|---|---|
| MI_AUDIO_DEV | Define the audio input/output device number |
| MI_AUDIO_Format_e | Define audio data format |
| MI_AUDIO_SoundMode_e | Define audio sound mode |
| MI_AUDIO_SampleRate_e | Define audio sample rate |
| MI_AI_Attr_t | Define AI device attribute structure |
| MI_AI_If_e | Define AI peripherals |
| MI_AI_MAX_CHN_NUM | Define the maximum number of physical channels supported by AI devices |
| MI_AI_Data_t | Define audio structure |
| MI_AUDIO_I2sMode_e | Define the working mode of audio I2S RX/TX |
| MI_AUDIO_I2sBitWidth_e | Define the bit width of audio I2S RX/TX |
| MI_AUDIO_I2sFormat_e | Define the data transmission format of audio I2S RX/TX |
| MI_AUDIO_I2sMclk_e | Define the mclk frequency of audio I2S RX/TX |
| MI_AUDIO_I2sConfig_t | Define I2S RX/TX config info |
| MI_AI_InitParam_t | AI device initialization parameters |
3.1. MI_AUDIO_DEV¶
-
Description
Define the audio input/output device number.
-
Definition
typedef MI_S32 MI_AUDIO_DEV
3.2. MI_AUDIO_Format_e¶
-
Description
Define audio data format.
-
Definition
typedef enum { E_MI_AUDIO_FORMAT_INVALID = -1, E_MI_AUDIO_FORMAT_PCM_S16_LE = 0, E_MI_AUDIO_FORMAT_PCM_S24_LE, E_MI_AUDIO_FORMAT_PCM_S32_LE, } MI_AUDIO_Format_e; -
Member
Member Name Description E_MI_AUDIO_FORMAT_INVALID Illegal data format E_MI_AUDIO_FORMAT_PCM_S16_LE PCM Linear 16bit (Little Endian) E_MI_AUDIO_FORMAT_PCM_S24_LE PCM Linear 24bit (Little Endian) E_MI_AUDIO_FORMAT_PCM_S32_LE PCM Linear 32bit (Little Endian) -
Related data types and interfaces
3.3. MI_AUDIO_SoundMode_e¶
-
Description
Define audio sound mode.
-
Definition
typedef enum { E_MI_AUDIO_SOUND_MODE_MONO = 1, E_MI_AUDIO_SOUND_MODE_STEREO = 2, E_MI_AUDIO_SOUND_MODE_4CH = 4, E_MI_AUDIO_SOUND_MODE_6CH = 6, E_MI_AUDIO_SOUND_MODE_8CH = 8, E_MI_AUDIO_SOUND_MODE_10CH = 10, E_MI_AUDIO_SOUND_MODE_12CH = 12, E_MI_AUDIO_SOUND_MODE_14CH = 14, E_MI_AUDIO_SOUND_MODE_16CH = 16, }MI_AUDIO_SoundMode_e -
Member
Member Name Description E_MI_AUDIO_SOUND_MODE_MONO MONO E_MI_AUDIO_SOUND_MODE_STEREO STEREO E_MI_AUDIO_SOUND_MODE_4CH 4-channels E_MI_AUDIO_SOUND_MODE_6CH 6-channels E_MI_AUDIO_SOUND_MODE_8CH 8-channels E_MI_AUDIO_SOUND_MODE_10CH 10-channels E_MI_AUDIO_SOUND_MODE_12CH 12-channels E_MI_AUDIO_SOUND_MODE_14CH 14-channels E_MI_AUDIO_SOUND_MODE_16CH 16-channels -
Note
- The header file determines which Sound Mode are supported on different SOC.
-
Related data types and interfaces
3.4. MI_AUDIO_SampleRate_e¶
-
Description
Define audio sample rate.
-
Definition
typedef enum { E_MI_AUDIO_SAMPLE_RATE_8000 = 8000, E_MI_AUDIO_SAMPLE_RATE_11052 = 11025, E_MI_AUDIO_SAMPLE_RATE_12000 = 12000, E_MI_AUDIO_SAMPLE_RATE_16000 = 16000, E_MI_AUDIO_SAMPLE_RATE_22050 = 22050, E_MI_AUDIO_SAMPLE_RATE_24000 = 24000, E_MI_AUDIO_SAMPLE_RATE_32000 = 32000, E_MI_AUDIO_SAMPLE_RATE_44100 = 44100, E_MI_AUDIO_SAMPLE_RATE_48000 = 48000, E_MI_AUDIO_SAMPLE_RATE_96000 = 96000, E_MI_AUDIO_SAMPLE_RATE_192000 = 192000, }MI_AUDIO_SampleRate_e; -
Member
Member Name Description E_MI_AUDIO_SAMPLE_RATE_8000 8kHz sample rate E_MI_AUDIO_SAMPLE_RATE_11025 11.025kHz sample rate E_MI_AUDIO_SAMPLE_RATE_12000 12kHz sample rate E_MI_AUDIO_SAMPLE_RATE_16000 16kHz sample rate E_MI_AUDIO_SAMPLE_RATE_22050 22.05kHz sample rate E_MI_AUDIO_SAMPLE_RATE_24000 24kHz sample rate E_MI_AUDIO_SAMPLE_RATE_32000 32kHz sample rate E_MI_AUDIO_SAMPLE_RATE_44100 44.1kHz sample rate E_MI_AUDIO_SAMPLE_RATE_48000 48kHz sample rate E_MI_AUDIO_SAMPLE_RATE_96000 96kHz sample rate E_MI_AUDIO_SAMPLE_RATE_192000 192kHz sample rate -
Note
-
Except I2S RX which supports 8/16/32/48/96/192kHz, and I2S RX can only be attached separately when using 96/192kHz, other AI peripherals only support 8/16/32/48kHz.
-
Muffin's I2S RX only supports 8/16/32/48/96 kHz.
-
-
Related data types and interfaces
3.5. MI_AI_Attr_t¶
-
Description
Define AI device attribute structure.
-
Definition
typedef struct MI_AUDIO_Attr_s { MI_AUDIO_Format_e enFormat; MI_AUDIO_SoundMode_e enSoundMode; MI_AUDIO_SampleRate_e enSampleRate; MI_U32 u32PeriodSize; MI_BOOL bInterleaved; }MI_AI_Attr_t; -
Member
Member Name Description enFormat Audio data format. Static attributes. enSoundMode Audio sound mode. Static attributes. The sound mode determines how many physical channels a channel group corresponds to. enSampleRate Audio sampling rate. Static attributes. u32PeriodSize Audio data samples. Static attributes. bInterleaved Whether the audio data is in interlace mode. Static attributes. E_MI_AUDIO_SAMPLE_RATE_192000 192kHz sample rate -
Related data types and interfaces
3.6. MI_AI_If_e¶
-
Description
Define AI peripherals.
-
Definition
typedef enum { E_MI_AI_IF_NONE = 0, E_MI_AI_IF_ADC_AB = 1, E_MI_AI_IF_ADC_CD = 2, E_MI_AI_IF_DMIC_A_01 = 3, E_MI_AI_IF_DMIC_A_23 = 4, E_MI_AI_IF_I2S_A_01 = 5, E_MI_AI_IF_I2S_A_23 = 6, E_MI_AI_IF_I2S_A_45 = 7, E_MI_AI_IF_I2S_A_67 = 8, E_MI_AI_IF_I2S_A_89 = 9, E_MI_AI_IF_I2S_A_ab = 10, E_MI_AI_IF_I2S_A_cd = 11, E_MI_AI_IF_I2S_A_ef = 12, E_MI_AI_IF_I2S_B_01 = 13, E_MI_AI_IF_I2S_B_23 = 14, E_MI_AI_IF_I2S_B_45 = 15, E_MI_AI_IF_I2S_B_67 = 16, E_MI_AI_IF_I2S_B_89 = 17, E_MI_AI_IF_I2S_B_ab = 18, E_MI_AI_IF_I2S_B_cd = 19, E_MI_AI_IF_I2S_B_ef = 20, E_MI_AI_IF_I2S_C_01 = 21, E_MI_AI_IF_I2S_C_23 = 22, E_MI_AI_IF_I2S_C_45 = 23, E_MI_AI_IF_I2S_C_67 = 24, E_MI_AI_IF_I2S_C_89 = 25, E_MI_AI_IF_I2S_C_ab = 26, E_MI_AI_IF_I2S_C_cd = 27, E_MI_AI_IF_I2S_C_ef = 28, E_MI_AI_IF_I2S_D_01 = 29, E_MI_AI_IF_I2S_D_23 = 30, E_MI_AI_IF_I2S_D_45 = 31, E_MI_AI_IF_I2S_D_67 = 32, E_MI_AI_IF_I2S_D_89 = 33, E_MI_AI_IF_I2S_D_ab = 34, E_MI_AI_IF_I2S_D_cd = 35, E_MI_AI_IF_I2S_D_ef = 36, E_MI_AI_IF_ECHO_A = 37, E_MI_AI_IF_HDMI_A = 38, E_MI_AI_IF_DMIC_A_45 = 39, E_MI_AI_IF_DMIC_A_67 = 40, E_MI_AI_IF_SPDIF_A = 41, E_MI_AI_IF_MAX, } MI_AI_If_e; -
Member
Member Name Description E_MI_AI_IF_NONE None E_MI_AI_IF_ADC_AB ADC0/ 1 E_MI_AI_IF_ADC_CD ADC2/ 3 E_MI_AI_IF_DMIC_A_01 DMIC Chn0 and Chn1 E_MI_AI_IF_DMIC_A_23 DMIC Chn2 and Chn3 E_MI_AI_IF_I2S_A_01 I2S RX A Chn0 and Chn1 E_MI_AI_IF_I2S_A_23 I2S RX A Chn2 and Chn3 E_MI_AI_IF_I2S_A_45 I2S RX A Chn4 and Chn5 E_MI_AI_IF_I2S_A_67 I2S RX A Chn6 and Chn7 E_MI_AI_IF_I2S_A_89 I2S RX A Chn8 and Chn9 E_MI_AI_IF_I2S_A_ab I2S RX A Chn10 and Chn11 E_MI_AI_IF_I2S_A_cd I2S RX A Chn12 and Chn13 E_MI_AI_IF_I2S_A_ef I2S RX A Chn14 and Chn15 E_MI_AI_IF_I2S_B_01 I2S RX B Chn0 and Chn1 E_MI_AI_IF_I2S_B_23 I2S RX B Chn2 and Chn3 E_MI_AI_IF_I2S_B_45 I2S RX B Chn4 and Chn5 E_MI_AI_IF_I2S_B_67 I2S RX B Chn6 and Chn7 E_MI_AI_IF_I2S_B_89 I2S RX B Chn8 and Chn9 E_MI_AI_IF_I2S_B_ab I2S RX B Chn10 and Chn11 E_MI_AI_IF_I2S_B_cd I2S RX B Chn12 and Chn13 E_MI_AI_IF_I2S_B_ef I2S RX B Chn14 and Chn15 E_MI_AI_IF_I2S_C_01 I2S RX C Chn0 and Chn1 E_MI_AI_IF_I2S_C_23 I2S RX C Chn2 and Chn3 E_MI_AI_IF_I2S_C_45 I2S RX C Chn4 and Chn5 E_MI_AI_IF_I2S_C_67 I2S RX C Chn6 and Chn7 E_MI_AI_IF_I2S_C_89 I2S RX C Chn8 and Chn9 E_MI_AI_IF_I2S_C_ab I2S RX C Chn10 and Chn11 E_MI_AI_IF_I2S_C_cd I2S RX C Chn12 and Chn13 E_MI_AI_IF_I2S_C_ef I2S RX C Chn14 and Chn15 E_MI_AI_IF_I2S_D_01 I2S RX D Chn0 and Chn1 E_MI_AI_IF_I2S_D_23 I2S RX D Chn2 and Chn3 E_MI_AI_IF_I2S_D_45 I2S RX D Chn4 and Chn5 E_MI_AI_IF_I2S_D_67 I2S RX D Chn6 and Chn7 E_MI_AI_IF_I2S_D_89 I2S RX D Chn8 and Chn9 E_MI_AI_IF_I2S_D_ab I2S RX D Chn10 and Chn11 E_MI_AI_IF_I2S_D_cd I2S RX D Chn12 and Chn13 E_MI_AI_IF_I2S_D_ef I2S RX D Chn14 and Chn15 E_MI_AI_IF_ECHO_A SRC data (Echo) E_MI_AI_IF_HDMI_A HDMI RX E_MI_AI_IF_DMIC_A_45 (Some support)DMIC Chn4 and Chn5 E_MI_AI_IF_DMIC_A_67 (Some support)DMIC Chn6 and Chn7 E_MI_AI_IF_SPDIF_A SPDIF RX -
Related data types and interfaces
3.7. MI_AI_MAX_CHN_NUM¶
-
Description
Define the maximum number of physical channels supported by AI devices.
-
Definition
#define MI_AI_MAX_CHN_NUM 16
-
Note
- The 'MI_AI_MAX_CHN_NUM' value is different on different SOC,Refer to the header file.
3.8. MI_AI_Data_t¶
-
Description
Define audio structure.
-
Definition
typedef struct MI_AI_Data_s { void *apvBuffer[MI_AI_MAX_CHN_NUM]; MI_U32 u32Bytes[MI_AI_MAX_CHN_NUM]; MI_U64 u64Pts; MI_U64 u64Seq; }MI_AI_Data_t; -
Member
Member Name Description apvBuffer Audio data address,AI device enables the interleaved mode, and the data is stored in apvBuffer[0]. AI device disables the interleaving mode, and the data is arranged in apvBuffer in order u32Bytes Audio data length, One-to-one correspondence with apvBuffer u64Pts Audio data timestamp,µs u64Seq Audio data sequence number -
Related data types and interfaces
3.9. MI_AUDIO_I2sMode_e¶
-
Description
Define the working mode of audio I2S RX/TX.
-
Definition
typedef enum { E_MI_AUDIO_I2S_MODE_I2S_MASTER, E_MI_AUDIO_I2S_MODE_I2S_SLAVE, E_MI_AUDIO_I2S_MODE_TDM_MASTER, E_MI_AUDIO_I2S_MODE_TDM_SLAVE, } MI_AUDIO_I2sMode_e; -
Member
Member Name Description E_MI_AUDIO_I2S_MODE_I2S_MASTER I2S master mode E_MI_AUDIO_I2S_MODE_I2S_SLAVE I2S slave mode E_MI_AUDIO_I2S_MODE_TDM_MASTER TDM master mode E_MI_AUDIO_I2S_MODE_TDM_SLAVE TDM slave mode -
Note
Determine whether to support the master/slave mode according to different chips.
-
Related data types and interfaces
3.10. MI_AUDIO_I2sBitWidth_e¶
-
Description
Define the bit width of audio I2S RX/TX.
-
Definition
typedef enum { E_MI_AUDIO_BIT_WIDTH_16, E_MI_AUDIO_BIT_WIDTH_24, E_MI_AUDIO_BIT_WIDTH_32, } MI_AUDIO_I2sBitWidth_e; -
Member
Member Name Description E_MI_AUDIO_BIT_WIDTH_16 I2S bit width is 16 E_MI_AUDIO_BIT_WIDTH_24 I2S bit width is 24 E_MI_AUDIO_BIT_WIDTH_32 I2S bit width is 32 -
Note
- At present, I2S supports 32bit sequential data reception, when I2S is configured as 32bit, that is, the high level is effective and the data arrangement must be guaranteed in 1,3,5,7,...,slots.
-
Related data types and interfaces
3.11. MI_AUDIO_I2sFormat_e¶
-
Description
Define the data transmission format of audio I2S RX/TX.
-
Definition
typedef enum { E_MI_AUDIO_I2S_FMT_I2S_MSB, E_MI_AUDIO_I2S_FMT_LEFT_JUSTIFY_MSB, } MI_AUDIO_I2sFormat_e; -
Member
Member Name Description E_MI_AUDIO_I2S_FMT_I2S_MSB I2S standard format; Highest priority E_MI_AUDIO_I2S_FMT_LEFT_JUSTIFY_MSB I2S left-justified format; Highest priority -
Related data types and interfaces
3.12. MI_AUDIO_I2sMclk_e¶
-
Description
Define the mclk frequency of audio I2S RX/TX.
-
Definition
typedef enum { E_MI_AUDIO_I2S_MCLK_0, E_MI_AUDIO_I2S_MCLK_12_288M, E_MI_AUDIO_I2S_MCLK_16_384M, E_MI_AUDIO_I2S_MCLK_18_432M, E_MI_AUDIO_I2S_MCLK_24_576M, E_MI_AUDIO_I2S_MCLK_24M, E_MI_AUDIO_I2S_MCLK_48M, E_MI_AUDIO_I2S_MCLK_22_5792M, E_MI_AUDIO_I2S_MCLK_32_768M, E_MI_AUDIO_I2S_MCLK_36_864M, E_MI_AUDIO_I2S_MCLK_49_152M, E_MI_AUDIO_I2S_MCLK_76_8M, } MI_AUDIO_I2sMclk_e; -
Member
Member Name Description E_MI_AUDIO_I2S_MCLK_0 Turn off MCLK E_MI_AUDIO_I2S_MCLK_12_288M Set MCLK to 12.88M E_MI_AUDIO_I2S_MCLK_16_384M Set MCLK to 16.384M E_MI_AUDIO_I2S_MCLK_18_432M Set MCLK to 18.432M E_MI_AUDIO_I2S_MCLK_24_576M Set MCLK to 24.576M E_MI_AUDIO_I2S_MCLK_24M Set MCLK to 24M E_MI_AUDIO_I2S_MCLK_48M Set MCLK to 48M E_MI_AUDIO_I2S_MCLK_22_5792M Set MCLK to 22.5792M E_MI_AUDIO_I2S_MCLK_32_768M Set MCLK to 32.768M E_MI_AUDIO_I2S_MCLK_36_864M Set MCLK to 36.864M E_MI_AUDIO_I2S_MCLK_49_152M Set MCLK to 49.152M E_MI_AUDIO_I2S_MCLK_76_8M Set MCLK to 76.8M -
Note
The header file determines which MCLK are supported on different SOC.
-
Related data types and interfaces
3.13. MI_AUDIO_I2sConfig_t¶
-
Description
Define I2S RX/TX config info.
-
Definition
typedef struct MI_AUDIO_I2sConfig_s { MI_AUDIO_I2sMode_e enMode; MI_AUDIO_I2sBitWidth_e enBitWidth; MI_AUDIO_I2sFormat_e enFormat; MI_AUDIO_SampleRate_e enSampleRate; MI_AUDIO_I2sMclk_e enMclk; MI_BOOL bSyncClock; MI_U32 u32TdmSlots; } MI_AUDIO_I2sConfig_t; -
Member
Member Name Description enMode I2S working mode enBitWidth I2S data bit width. enFormat I2S transmission data format. enSampleRate I2S sampling rate. enMclk I2S mclk frequency. bSyncClock Whether I2S RX and I2S TX share the clock. u32TdmSlots Number of I2S TDM slots (valid only in TDM mode) -
Note
Souffle/Pcupid series chips support 1Chn PCM. To use this function, enMode must work in E_MI_AUDIO_I2S_MODE_TDM_MASTER and E_MI_AUDIO_I2S_MODE_TDM_SLAVE mode, and u32TdmSlots must be set to 1.
-
Related data types and interfaces
3.14. MI_AI_InitParam_t¶
-
Description
AI device initialization parameters.
-
Definition
typedef struct MI_AI_InitParam_s { MI_AUDIO_DEV AiDevId; MI_U8 *u8Data; } MI_AI_InitParam_t; -
Member
Member Name Description AiDevId AI device number u8Data Initialization parameter pointer (reserved) -
Related data types and interfaces
4. Error Code¶
The AI API error codes are shown in the table below:
| Error Code | Definition | Description |
|---|---|---|
| 0xA0042001 | MI_AI_ERR_INVALID_DEVID | Invalid audio input device number |
| 0xA0042002 | MI_AI_ERR_INVALID_CHNGRPID | Invalid audio input channel group number |
| 0xA0042003 | MI_AI_ERR_ILLEGAL_PARAM | Invalid audio input parameter setting |
| 0xA0042006 | MI_AI_ERR_NULL_PTR | Input parameter empty indicator error |
| 0xA0042007 | MI_AI_ERR_NOT_CONFIG | Audio input device properties are not set |
| 0xA0042008 | MI_AI_ERR_NOT_SUPPORT | Operation is not supported |
| 0xA0042009 | MI_AI_ERR_NOT_PERM | Operation not allowed |
| 0xA004200C | MI_AI_ERR_NOMEM | Failed to allocate memory |
| 0xA004200D | MI_AI_ERR_NOBUF | Insufficient audio input buffer |
| 0xA004200E | MI_AI_ERR_BUF_EMPTY | Audio input buffer is empty |
| 0xA004200F | MI_AI_ERR_BUF_FULL | Audio input buffer is full |
| 0xA0042010 | MI_AI_ERR_SYS_NOTREADY | Audio input system is not initialized |
| 0xA0042012 | MI_AI_ERR_BUSY | Audio input system is busy |
| 0xA0042017 | MI_AI_ERR_NOT_ENABLED | Audio input device or channel is not enabled |
5. PROCFS AND DEBUG INTRODUCTION¶
5.1. Cat¶
-
Debug info
# cat proc/mi_modules/mi_ai/mi_ai0

-
Debug info analysis
Record the current AI usage status and device/channel group attributes, and can dynamically obtain information, which is convenient for debugging and testing.
-
Parameter description
Parameter Description AI Device Attr DevStatus AI device status
uninit: uninit
opened: opened successfullyFormat Audio format (Bit width and size end, etc)
Currently only support S16_LE (16bit, small end mode)SoundMode Sound mode:
mono
stereo
SOUND_MODE_4CH: 4channel
SOUND_MODE_6CH: 6channel
SOUND_MODE_8CH: 8channel
...
SOUND_MODE_16CH: 16channelSampleRate 8k/16k/32k/48k Interleaved Whether it is interleaved mode PeriodSize AI data per frame PeriodToUs (Some support)APP takes a frame data corresponding to the time,Us Interrupt (Some support)Interrupt type:hw-timer/wdma-irq TriggerSize (Some support)Config DMA trigger size,64bytes alignment;When hw-timer is used, this parameter is invalid IrqTriggerUs (Some support)Interrupt type:hw-timer/wdma-irq,Theoretical trigger time,Us CurIrqTriggerUs (Some support)Interrupt type:hw-timer/wdma-irq,Current actual trigger time,Us TriggerIsrCnt (Some support)Interrupt type:hw-timer/wdma-irq,Total trigger count XrunIsrCnt (Some support)Number of times Xrun interrupts occurred DmaBufSize DMA buffer size DmaBusySize DMA buffer busy size DmaFreeSize DMA buffer free size TmpBufSize TMP buffer size(Not heap alloc) MhalChnCnt Channel count of Mhal device MiChnGrpCnt MI channel group count ReadCountFromMhal Frame count read by AI from Mhal If slot[IfIdx]: interface type [IfIdx]: Interface index
interface type: Interface type[interface type]:
Gain(Leftgain,RightGain)
Mute(LeftMute,RightMute)[interface type]: Interface type
Gain(Leftgain,RightGain)
Mute(LeftMute,RightMute)AI I2S Status I2sMode I2S Rx workmode (Only valid when interface is I2S Rx)
i2s-master
i2s-slave
tdm-master
tdm-slaveI2sMclk I2S Rx Mclk frequency (Only valid when interface is I2S Rx)
disable: not use Mclk
Other values are the current Mclk frequencyI2sFmt I2S Rx data format (Only valid when interface is I2S Rx)
I2S-MSB: I2S format
LEFT-MSB: I2S left-justified formatbI2sSync Whether I2S RX and TX share clock (Only valid when interface is I2S Rx)
1: 4 wire mode, RX and TX share clock
0: 6 wire mode, RX and TX have indepentent clockTdmSlots I2S Rx TDM slot number (Only valid when the device is I2S Rx and in TDM mode) I2sBitWidth I2S RX bit width (Only valid when the device is I2S Rx and the chips support TDM mode) AI ChnGrp info ChnGrpId MI channel group ID bEnable Whether to enable ReadFrameCount Frame count read by the corresponding channel group OutputPortBufSize (Some support)Each Channel Group applies for OutputPortBuf Size through SYS Mute Status DPGA Mute info Mute[PhyChnIdx]:bMute [PhyChnIdx]: channel index in channel group
bMute: mute statusDpga Gain DPGA gain info Dpga Gain[PhyChnIdx]:Gain [PhyChnIdx]: channel index in channel group
Gain
5.2. Echo¶
| Features | Dynamically enable/disable AI device to dump mhal pcm data |
|---|---|
| Command | echo dump_mhal_chn [Path] [ON/on/1, OFF/off/0] > /proc/mi_modules/mi_ai/mi_ai[ID] |
| Parameter Description | [Path] Path to dump file [ON/on/1, OFF/off/0] Enable or not [ID] AI device ID |
| Example | echo dump_mhal_chn /tmp 1 > /proc/mi_modules/mi_ai/mi_ai0 |
| Featur | Dynamically enable/disable AI device to dump mi pcm data |
|---|---|
| Command | echo dump_mi_chn [ChnGrpId] [Path] [ON/on/1, OFF/off/0] > /proc/mi_modules/mi_ai/mi_ai[ID] |
| Parameter Description | [ChnGrpId] channel group ID [Path] Path to dump file [ON/on/1, OFF/off/0] Enable or not [ID] AI device ID |
| Example | echo dump_mi_chn 0 /tmp 1 > /proc/mi_modules/mi_ai/mi_ai0 |
| Features | Dynamically set AI DPGA gain |
|---|---|
| Command | echo set_dpga_gain [ChnGrpId] [ChnId] [Gain] > /proc/mi_modules/mi_ai/mi_ai[ID] |
| Parameter Description | [ChnGrpId] channel group ID [ChnId] channel index in channel group [Gain] AI digital gain |
| Example | echo set_dpga_gain 0 0 -10 > /proc/mi_modules/mi_ai/mi_ai0 |
| Features | Dynamically set AI Interface gain |
|---|---|
| Command | echo set_inf_gain [If] [LeftGain] [RightGain] > /proc/mi_modules/mi_ai/mi_ai[ID] |
| Parameter Description | [If] AI Interface [LeftGain] [RightGain] |
| Example | echo set_inf_gain 1 18 18 > /proc/mi_modules/mi_ai/mi_ai0 |
| Features | Dynamically set AI DPGA mute mode |
|---|---|
| Command | echo set_dpga_mute [ChnGrpId] [ChnId] [Mute] > /proc/mi_modules/mi_ai/mi_ai[ID] |
| Parameter Description | [ChnGrpId] channel group ID [ChnID] channel index in channel group [Mute] AI DPGA mute |
| Example | echo set_dpga_mute 0 0 1 > /proc/mi_modules/mi_ai/mi_ai0 |
| Features | Dynamically set AI Interface mute mode |
|---|---|
| Command | echo set_inf_mute [If] [LeftMute] [RightMute] > /proc/mi_modules/mi_ai/mi_ai[ID] |
| Parameter Description | [If] AI Interface [LeftMute] [RightMute] |
| Example | echo set_inf_mute 1 0 1 > /proc/mi_modules/mi_ai/mi_ai0 |
| Function | Dynamically enable/disable Singen of AI Device |
|---|---|
| Command | echo singen [SinGen Index] [Enable] > /proc/mi_modules/mi_ai/mi_ai[ID] |
| Parameter description | [SinGen Index] Singen ID [Enable] enable/disable Singen |
| Example | echo singen 0 1 > /proc/mi_modules/mi_ai/mi_ai0 |
The interface singen support for each chip series is as follow:
| Interface Singen | Muffin | Mochi | Maruko | Souffle | Pcupid |
|---|---|---|---|---|---|
| DMIC_A | Y | Y | Y | Y | Y |
| ADC_AB | N | N | Y | Y | Y |
| ADC_CD | N | N | Y | Y | Y |
| I2S_RX_A | N | N | N | Y | Y |
| I2S_RX_B | N | N | N | Y | Y |
| I2S_RX_C | N | N | N | Y | Y |
5.3. MI User Mode Debug¶
| Function | Before run the APP, run the export command to dump the MI user mode AI record data and Echo data by specifying environment variables |
|---|---|
| Description | [MI_AI_DUMP_ENABLE] enable dump MI user mode AI Record and Echo data [MI_AI_DUMP_PATH] dump file path |
| Example | export MI_AI_DUMP_ENABLE=1 export MI_AI_DUMP_PATH=/mnt |
6. Insmod Parameter And MODPARAM.json INTRODUCTION¶
6.1. Parameter Name, Support Chip And Usage¶
| parameter name | use insmod parameter chip | use MODPARAM.json parameter chip | default | whether support it | function |
|---|---|---|---|---|---|
| ThreadPriority | Muffin/Mochi | Maruko/Souffle/Pcupid | 98 | Y | AI thread priority |
| DmaBufferSize | Muffin/Mochi | Maruko/Souffle/Pcupid | calculate the value | Y | Modify AI DMA Buffer size |
| bUsedDmaInterrupt | NA | Souffle/Pcupid | 1 | Y | Select interrupt source: hw-timer/wdma-irq (default:wdma-irq) |
6.2. Insmod Parameter Usage¶
Example:
insmod mi_ai.ko ThreadPriority=99 insmod mi_ai.ko DmaBufferSize=32 # Unit:K, 4K align.
6.3. MODPARAM.json Parameter Usage¶
Example: vim /config/modparam.json:
{
"E_MI_MODULE_ID_AI" :
{
"ThreadPriority" : 99,
"DmaBufferSize" : 32, // Unit:K, 4K align.
"bUsedDmaInterrupt" : 0
}
}